lemon-mirror:
Home >> Mazda >> 2008 >> Tribute 2WD L4-2.3L >> Repair and Diagnosis >> Diagrams >> Exploded Views >> Suspension >> System Diagram

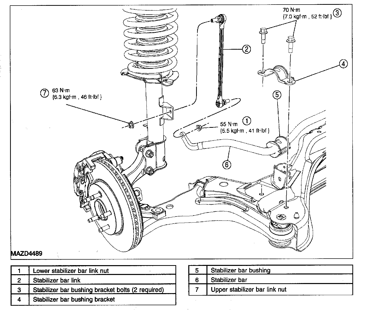
System Diagram

FRONT SUSPENSION - EXPLODED VIEW

Front Suspension - Exploded View (Part 1):




Front Suspension - Exploded View (Part 2):