lemon-mirror:
Home >> Mazda >> 2008 >> Tribute 2WD L4-2.3L >> Repair and Diagnosis >> Diagrams >> Exploded Views >> Brake Master Cylinder

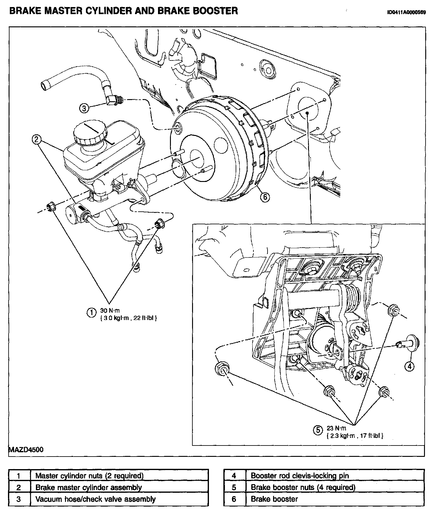
Brake Master Cylinder

BRAKE MASTER CYLINDER AND BRAKE BOOSTER - EXPLODED VIEW

Brake Master Cylinder and Brake Booster: