lemon-mirror:
Home >> Mazda >> 2008 >> Mazdaspeed3 L4-2.3L Turbo >> Repair and Diagnosis >> Specifications >> Mechanical Specifications >> Engine >> Intake Manifold

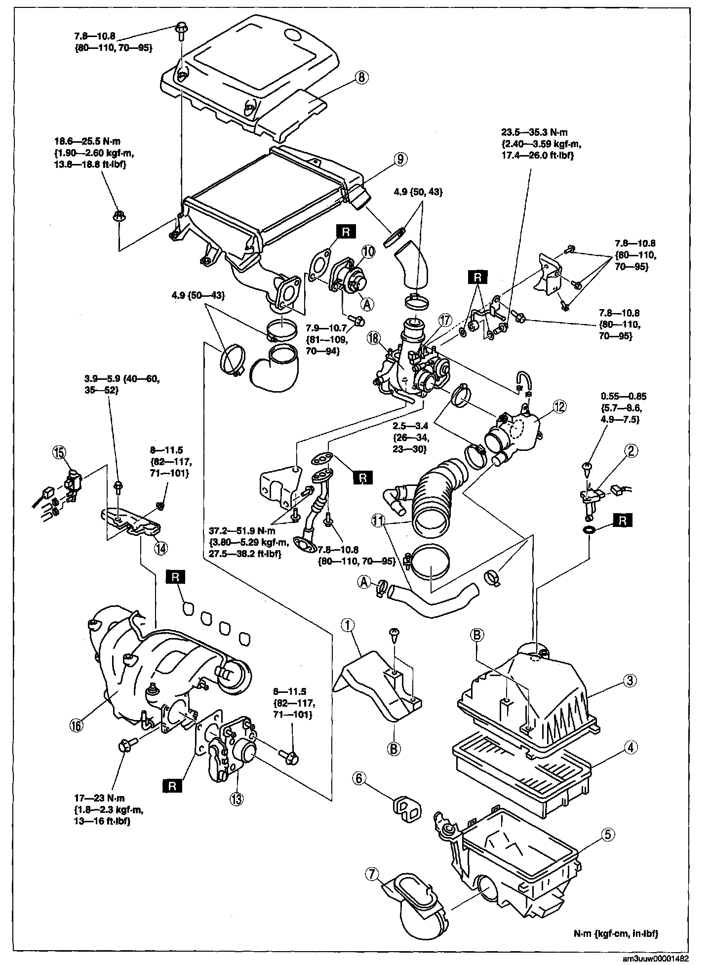
Intake Manifold