lemon-mirror:
Home >> Mazda >> 2008 >> CX-9 AWD V6-3.7L >> Repair and Diagnosis >> Body and Frame >> Locks >> Keyless Entry >> Diagrams >> Keyless Entry System

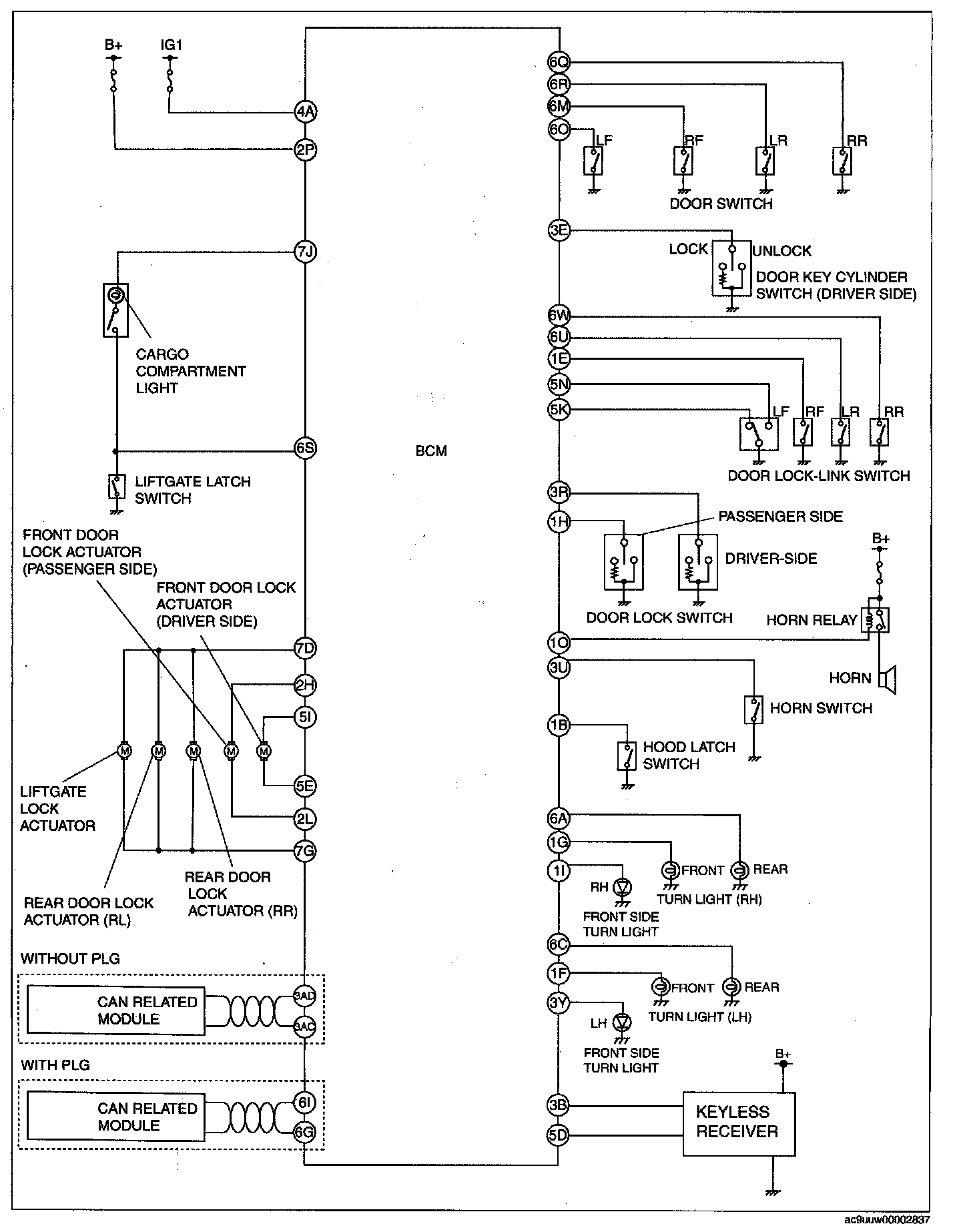
Keyless Entry System

Keyless Entry System Wiring Diagram [Keyless Entry System]: