lemon-mirror:
Home >> Mazda >> 2008 >> CX-7 FWD L4-2.3L Turbo >> Repair and Diagnosis >> Powertrain Management >> Computers and Control Systems >> Transmission Position Sensor/Switch >> Locations

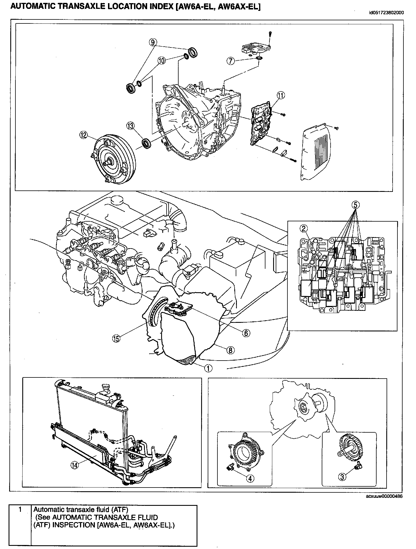
Transmission Position Sensor/Switch: Locations