lemon-mirror:
Home >> Mazda >> 2008 >> B2300 L4-2.3L >> Repair and Diagnosis >> Diagrams >> Exploded Views >> Automatic Transmission/Transaxle

Automatic Transmission/Transaxle

AUTOMATIC TRANSMISSION COMPONENTS

Disassembled View

Disassembled View (Part 1):




Disassembled View (Part 2):




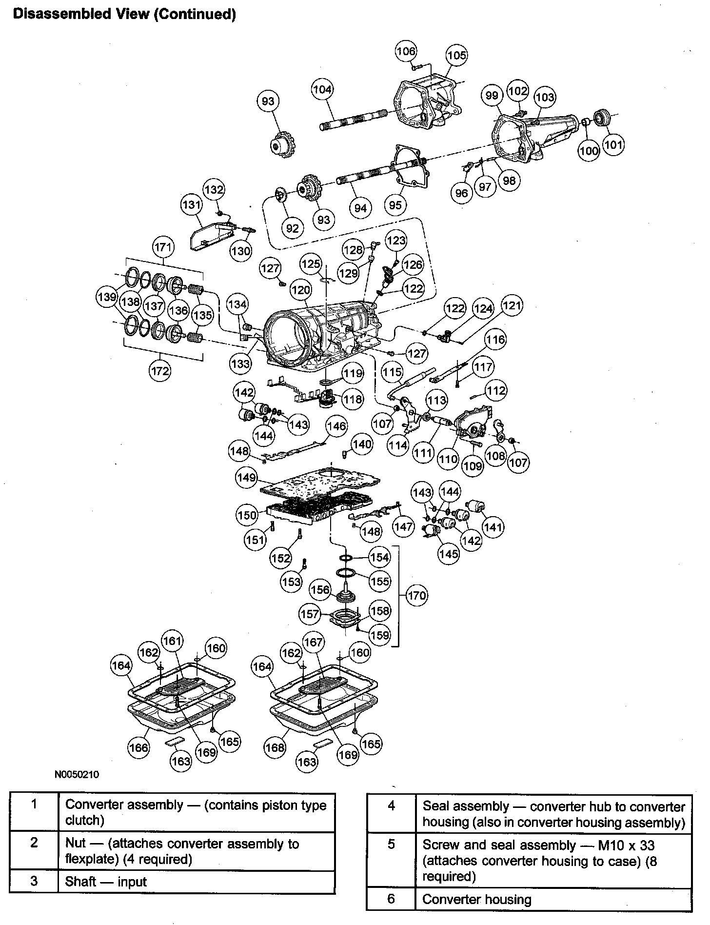
Disassembled View (Part 3):




Disassembled View (Part 4):




Disassembled View (Part 5):





Bushings, Bearings and Thrust Washers Locator

Bushings, Bearings and Thrust Washers Locator (Part 1):




Bushings, Bearings and Thrust Washers Locator (Part 2):





Seals, Rings and Gaskets Locator

Seals, Rings and Gaskets Locator (Part 1):




Seals, Rings and Gaskets Locator (Part 2):





Torque Converter
The transmission uses a 4 element torque converter to transmit and multiply torque. It contains the standard 3 elements which transmit and multiply torque:
^ impeller
^ turbine
^ reactor
^ torque converter clutch (TCC)
The TCC increases fuel economy in 3rd and 4th gears. The operation of the torque converter components is as follows:
^ Rotation of the converter housing and impeller set the fluid in motion.
^ The turbine reacts to the fluid motion from the impeller, transferring rotation to the geartrain.
^ The reactor redirects fluid going back into the impeller, allowing for torque multiplication.
The addition of a TCC to the torque converter provides a mechanical link between the converter housing and the engine, allowing for direct transfer of power from the engine to the geartrain.
The TCC is applied and released by fluid pressure, which is controlled by the powertrain control module (PCM) through a TCC solenoid in the main control valve body.

Geartrain (Part 1):




Geartrain (Part 2):





Geartrain
Power is transmitted from the torque converter to the planetary gearsets through the input shaft. Bands and clutches are used to hold and drive certain combinations of gearsets. This results in five forward ratios and one reverse ratio, which are transmitted to the output shaft and differential.





The planetary gear front carrier is driven by the input shaft. See the disassembled view.
^ The front planetary gearset carrier drives the center shaft via the overdrive one-way clutch in 1st, 2nd, and 3rd and 4th gears.
^ In 5th, the sun gear is held, causing the pinion gears to rotate around the front sun gear:
^ The pinion gears in turn drive the front ring gear resulting in 5th (overdrive) gear ratio of 0.75 to 1.
^ The front planetary gearset is internally splined to the coast clutch for engine braking.

Planetary Gearset Forward

Planetary Gearset Forward (Part 1):




Planetary Gearset Forward (Part 2):





The forward planetary gearset is splined to the output shaft.
^ The forward planetary gearset is driven by the forward ring gear when the forward clutch is applied.
^ The forward planetary gearset pinions drive the forward sun gear.
^ The forward sun gear is splined to the input shell.

Planetary Gearset-Low/Reverse

Planetary Gearset-Low/Reverse:





The reverse planetary gearset is connected to the reverse brake drum by lugs from the reverse brake drum to the lugs of the reverse planetary gearset.
^ The reverse planetary gearset is driven by the forward sun gear which is splined to the input shell.
^ The splines of the forward sun gear drive the pinions in the low/reverse planetary gearset.
^ The pinions of the reverse planetary gearset drive the output shaft ring gear and output shaft hub which is splined to the output shaft.
^ The reverse planetary gearset is held via the low one-way clutch in the reverse brake drum, when the reverse band is applied.

Input Shaft
The input shaft is supported by two bushings in the stator support.
^ End positioning of the input shaft is controlled by the splines in the converter turbine and the front planetary carrier.

Output Shaft
The output shaft is supported by a bearing in the case and by the slip yoke bushing in the extension housing. End positioning is controlled by the parking pawl gear and snap ring shoulder and by the reverse ring gear hub and snap ring.

Apply Components

Front Band

Front Band:





Hydraulic pressure is applied to the front side of the front servo.
^ This pressure causes the servo to stroke and apply force to the band.
^ This action causes the front brake and coast clutch drum to be held.
^ The front band holds the front brake and coast clutch drum to the case in 2th and 5th gears.
^ This causes the front sun gear to be held stationary through the coast clutch adapter and the front brake and coast clutch drum.

Reverse Band

Reverse Band:





Hydraulic pressure is applied to the front side of the reverse servo.
^ This pressure causes the servo to stroke and apply force to the reverse band.
^ This action causes the reverse brake drum to be held.
^ The reverse band holds the reverse brake to the case in 1st position and reverse gears.
^ This causes the reverse planetary assembly to be held stationary.

Intermediate Band

Intermediate Band:





Hydraulic pressure is applied to the front side of the intermediate servo.
^ This pressure causes the servo to stroke and apply force to the intermediate band.
^ This action causes the intermediate brake and direct clutch drum to be held.
^ The intermediate band holds the intermediate brake and direct clutch drum to the case in 3rd gear.
^ This causes the input shell and forward sun gear to be held stationary.

Direct Clutch

Direct Clutch:





The direct clutch is a multi-disc clutch made up of steel and friction plates.
^ The direct clutch is applied with hydraulic pressure and disengaged by return springs and the exhaust of the hydraulic pressure.
^ It is housed in the intermediate brake and direct clutch drum.
^ In drive, the direct clutch is applied and coupled to the forward clutch. This drives the input shell and forward sun gear in 4th and 5th gears.
^ In reverse, the direct clutch is applied and coupled to the input shell and forward sun gear.
^ This action causes the forward sun gear to drive the pinions of the reverse planetary carrier.
^ Since the reverse planetary carrier is held stationary by the reverse band, the pinions drive the output shaft ring gear in reverse.

Forward Clutch

Forward Clutch:





The forward clutch is a multi-disc clutch made up of steel and friction plates.
^ The forward clutch is applied with hydraulic pressure and disengaged by return springs and the exhaust of the hydraulic pressure.
^ The forward clutch is applied in all forward gears.
^ When applied, the forward clutch provides a direct mechanical coupling between the input shaft and the forward ring gear and hub.

Coast Clutch

Coast Clutch:





The coast clutch is a multi-disc clutch made up of steel and friction plates.
^ The coast clutch is applied with hydraulic pressure and disengaged by return springs and the exhaust of the hydraulic pressure.
^ The coast clutch is housed in the front brake and coast clutch drum.
^ The coast clutch is applied when the transmission control switch (TCS) is on and 5th gear is inhibited.
^ The coast clutch is hydraulically applied when the transmission is in 2nd and 1st position.
^ When applied, the coast clutch locks the input shaft to the front planetary carrier, thus preventing the one-way clutch from overrunning when the vehicle is coasting.
^ This allows the use of engine compression to help slow the vehicle and provide engine braking.

One-Way Clutch Overdrive

One-Way Clutch Overdrive:





The overdrive one-way clutch is a sprag-type one-way clutch that is pressed into the center shaft.
^ The overdrive one-way clutch is driven by the race of the front planetary carrier.
^ The overdrive one-way clutch holds and drives the outer of the center shaft in 1st, 2nd, 3rd, 4th and reverse gears.
^ The overdrive one-way clutch overruns during all coast operations and at all times in 5th gear.

One-Way Clutch Reverse

One-Way Clutch Reverse:





The reverse one-way clutch is a sprag type one-way clutch.
^ The reverse one-way clutch holds the reverse brake drum and reverse planetary assembly to the case in 1st gear only.
^ In all other gears the reverse one-way clutch overruns.

Hydraulic System

Fluid Pump

Fluid Pump:





^ The fluid pump provides the fluid pressure required to charge the torque converter, main control assembly, transmission cooling system, lubrication system and apply devices.
^ The fluid pump is a positive displacement, gear and crescent-type pump.
^ The fluid pump is driven by the torque converter cover hub.

Oil Strainer

Oil Strainer (Part 1):




Oil Strainer (Part 2):





^ All fluid drawn from the transmission fluid pan by the oil fluid pump passes through the fluid strainer.
^ The strainer and its accompanying seals are part of the fluid path from the sump (pan) to the fluid pump.
^ The strainer has a bypass section which allows fluid vented at the main regulator valve to be recirculated to the fluid pump, without passing through the strainer.

Control Valve Body Assembly

Control Valve Body Assembly (Part 1):




Control Valve Body Assembly (Part 2):





^ The control valve body and related components are part of the pressure side of the hydraulic system.
^ The control valve body consists of the solenoids, the valve body assembly and the separator plate.
^ These components combine to convert electrical signals into hydraulic actions.
All valves in the control assembly are anodized aluminum and cannot be sanded, filed, or dressed in any other way. Any damage to the valves that prevents or restricts their movement requires replacement of the entire main control valve body.