lemon-mirror:
Home >> Mazda >> 2008 >> 6 V6-3.0L >> Repair and Diagnosis >> Powertrain Management >> Computers and Control Systems >> Oxygen Sensor >> Locations

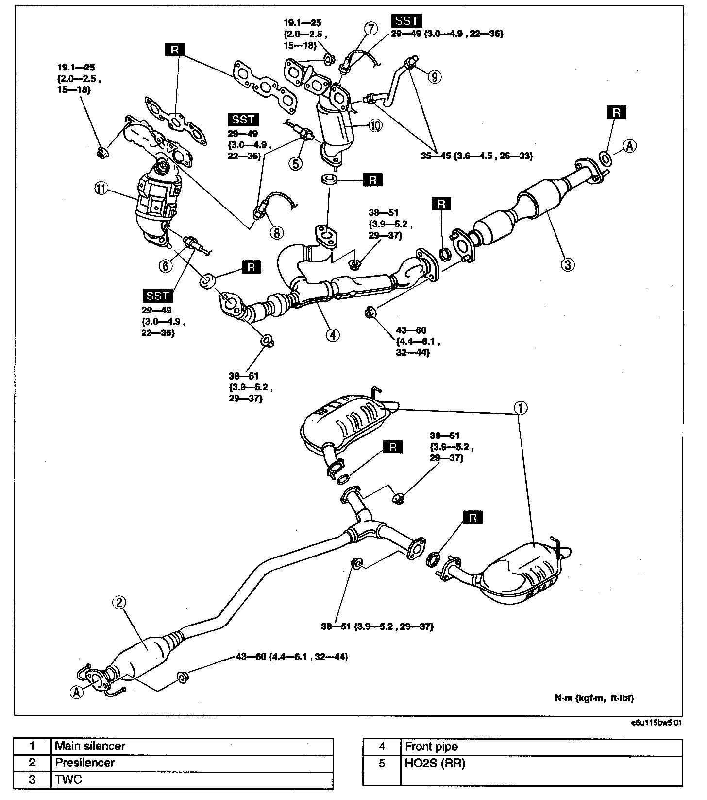
Oxygen Sensor: Locations