lemon-mirror:
Home >> Mazda >> 2008 >> 6 L4-2.3L >> Repair and Diagnosis >> Diagrams >> Electrical Diagrams >> Navigation System

Navigation System

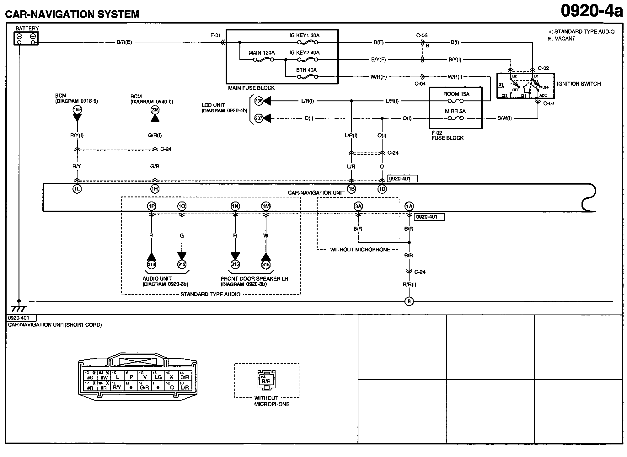
Diagram 0920-4a:




Routing View 0920-4a:






Diagram 0920-4b:




Routing View 0920-4b:






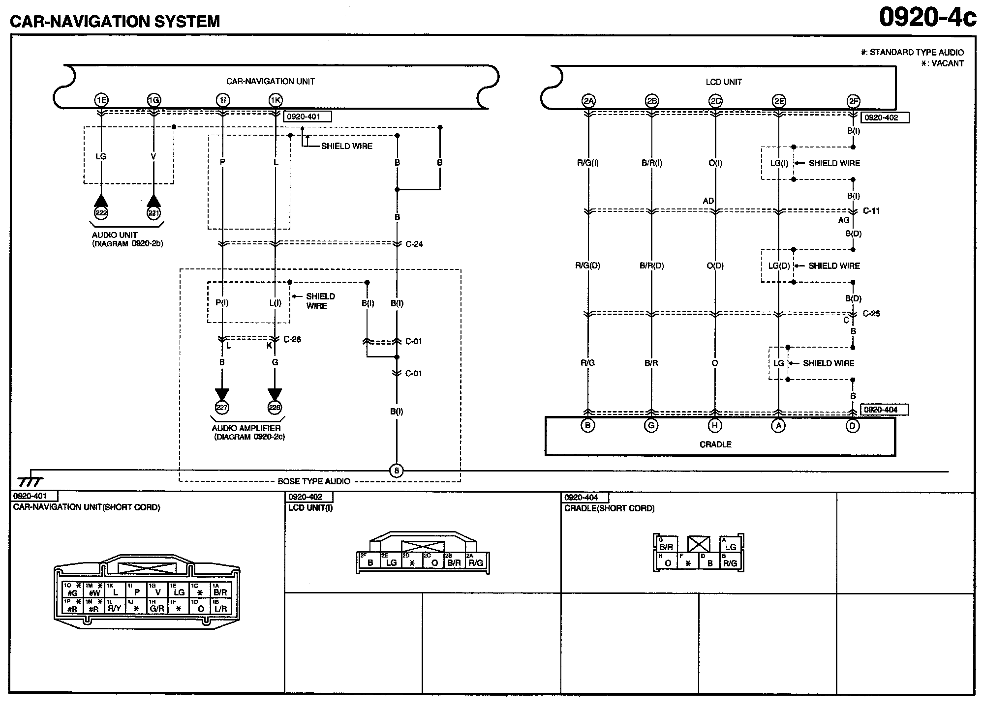
Diagram 0920-4c:




Routing View 0920-4c:






Diagram 0920-4d:




Routing View 0920-4d:






Diagrams: Other diagrams referred to by name within these diagrams can be found at Diagrams by Diagram Name. Diagrams By Diagram Name