lemon-mirror:
Home >> Mazda >> 2008 >> 6 L4-2.3L >> Repair and Diagnosis >> Diagrams >> Electrical Diagrams >> Keyless Entry >> System Schematic

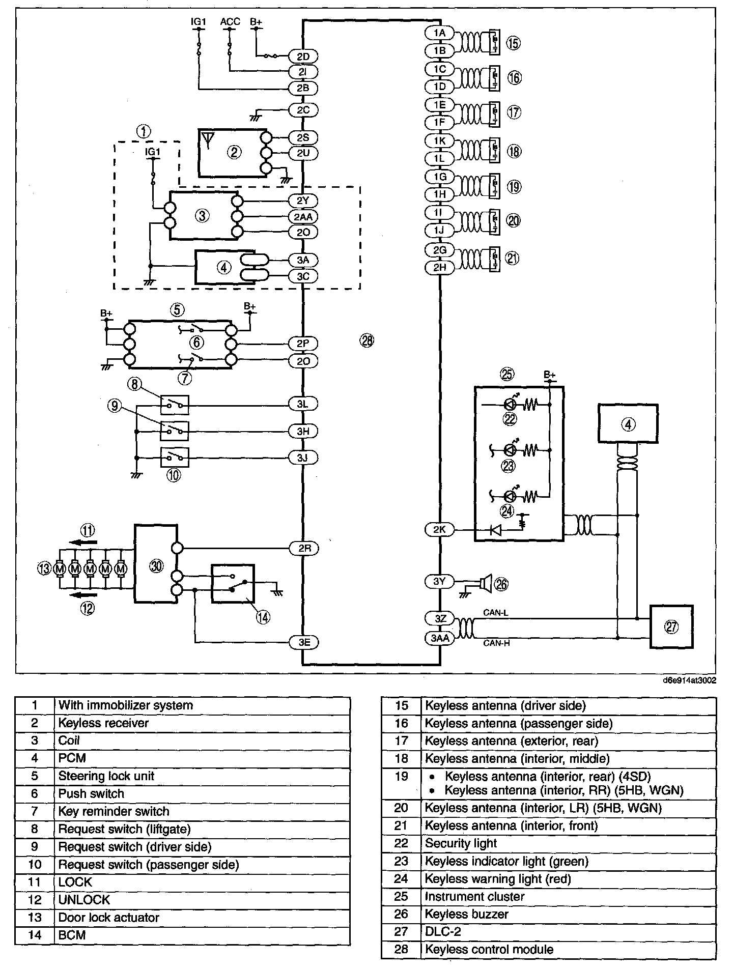
System Schematic

Keyless Entry System Wiring Diagram [Advanced Keyless And Start System]:



Keyless Entry System Wiring Diagram [keyless Entry System]: