lemon-mirror:
Home >> Mazda >> 2008 >> 5 L4-2.3L >> Repair and Diagnosis >> Powertrain Management >> Computers and Control Systems >> Engine Control Module >> Service and Repair

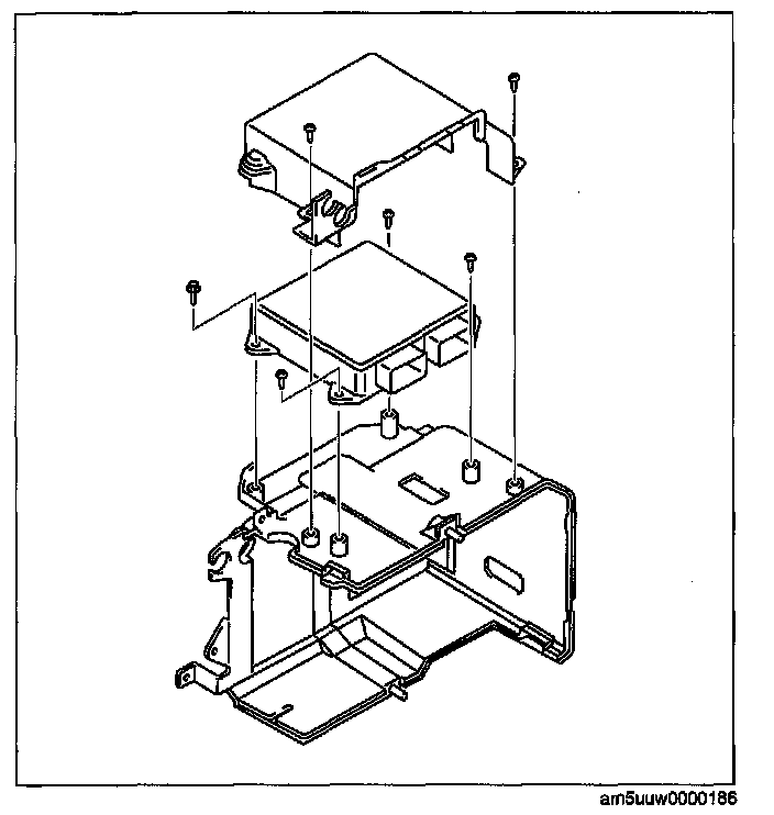
Engine Control Module: Service and Repair

PCM REMOVAL/INSTALLATION [L3]
1. When replacing the PCM, perform the following:
- PCM configuration (See PCM CONFIGURATION [L3].) Programming and Relearning

2. Remove the battery cover, battery duct, battery and battery tray with PCM.
3. Disconnect the PCM connector.




4. Remove the PCM from the battery tray.
5. When replacing the PCM on the vehicles, perform the following:
- PCM parameter reset (See IMMOBILIZER SYSTEM COMPONENT REPLACEMENT/KEY ADDITION AND CLEARING [KEYLESS ENTRY SYSTEM].)

6. Install in the reverse order of removal.