lemon-mirror:
Home >> Mazda >> 2007 >> RX8 2RTR-1.3L >> Repair and Diagnosis >> Powertrain Management >> Computers and Control Systems >> Engine Control Module >> Service and Repair

Engine Control Module: Service and Repair

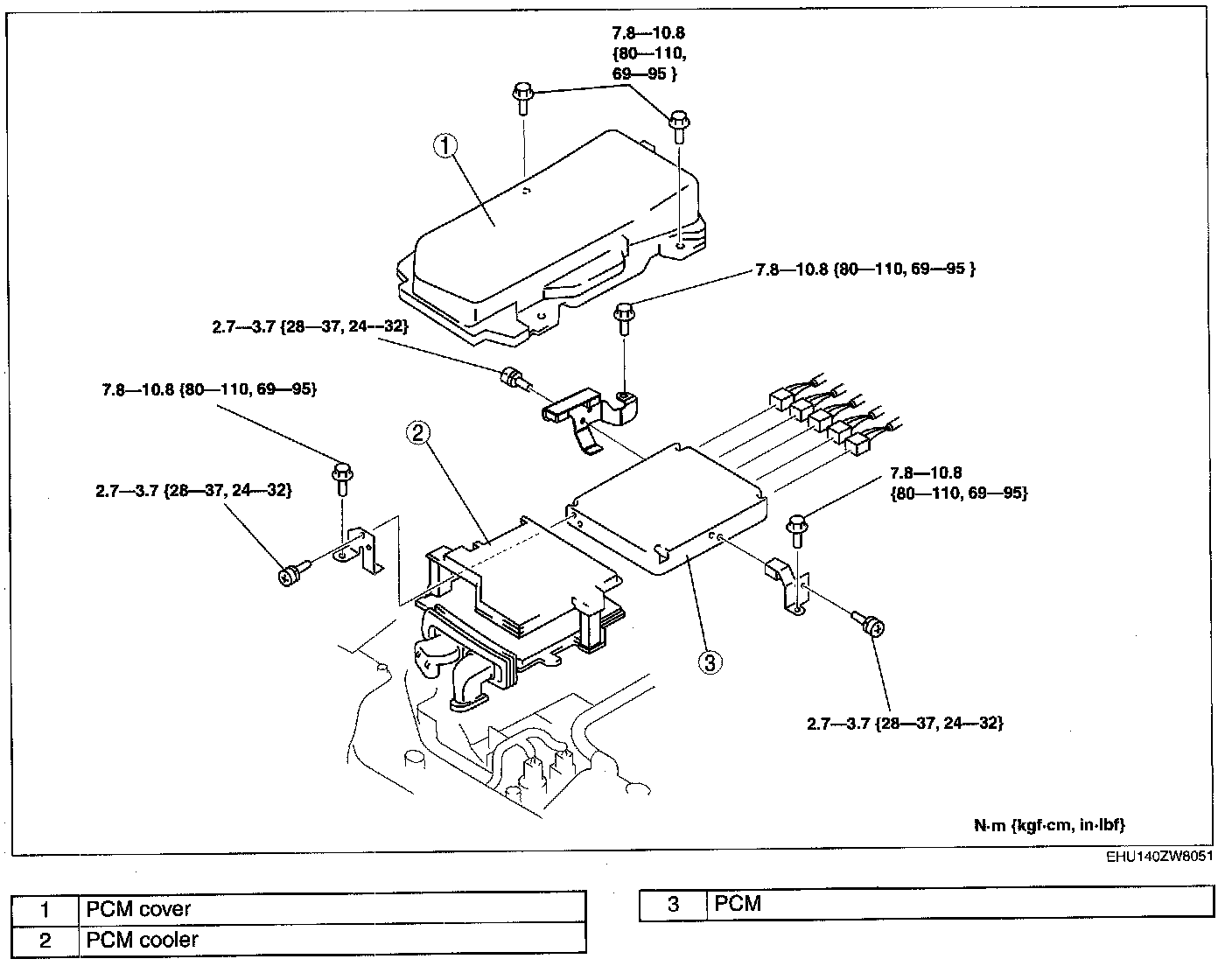
PCM REMOVAL/INSTALLATION
1. When replacing the PCM, perform the following:
- PCM configuration (See PCM CONFIGURATION.) Programming and Relearning

2. Remove the battery cover.
3. Remove in the order indicated in the table.
4. When replacing the PCM on the vehicles with the immobilizer system, perform the following:
- Immobilizer system component replacement/key addition and clearing.




5. Install in the reverse order of removal.