lemon-mirror:
Home >> Mazda >> 2007 >> Mazdaspeed6 L4-2.3L Turbo >> Repair and Diagnosis >> Specifications >> Mechanical Specifications >> Engine >> Intake Manifold

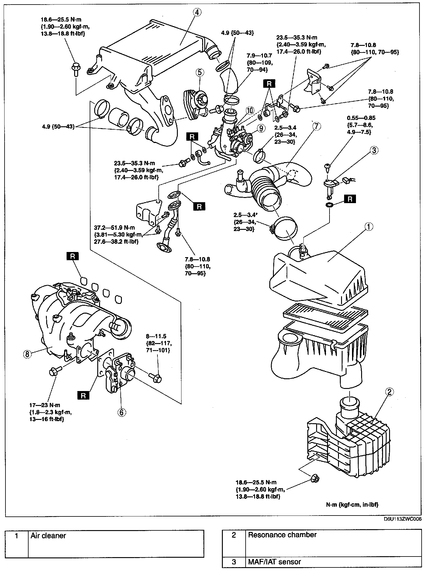
Intake Manifold

Part 1:



Part 2: