lemon-mirror:
Home >> Mazda >> 2007 >> Mazdaspeed3 L4-2.3L Turbo >> Repair and Diagnosis >> Specifications >> Mechanical Specifications >> Engine >> System Specifications >> Tightening Torques

Tightening Torques

Cylinder Head





Measure the length of each cylinder head bolt.
Replace any cylinder head bolts that exceed the maximum length.

Cylinder head bolt length
Standard 144.7 - 145.3 mm (5.697 - 5.720 in)
Maximum 146 mm (5.74 in)





Tightening procedure
1st step 3.0 - 11 Nm (31 - 112 kgf-cm, 27 - 97 in-lbf)
2nd step 13 - 17 Nm (133 - 173 kgf-cm, 116 - 150 in-lbf)
3rd step 43 - 47 Nm (4.4 - 4.7 kgf-m, 32 - 34 ft-lbf)
4th step 88° - 92°
5th step 88° - 92°


Camshaft Bearing





Install the camshaft caps and temporarily tighten the camshaft cap bolts evenly in two or three passes, and then tighten the camshaft cap bolts using the following two steps, in the order shown in the figure.

Tightening procedure
1st step 5.0 - 9.0 Nm (51 - 91 kgf-cm, 45 - 79 in-lbf)
2nd step 14 - 17 Nm (1.5 - 1.7 kgf-m, 11 - 12 ft-lbf)


Crankshaft Pulley Lock Bolt
Tightening procedure
1st step 96 - 104 Nm (9.8 - 10.6 kgf-m, 70.9 - 76.7 ft-lbf)
2nd step 87° - 93°


Oil Pump





Tighten the oil pump bolts in two steps in the order shown in the figure.
Tightening torque
Step 1 8 - 12 Nm (82 - 122 kgf-cm, 71 - 105 in-lbf)
Step 2 17 - 23 Nm (1.8 - 2.3 kgf-m, 12.6 - 16.9 ft-lbf)


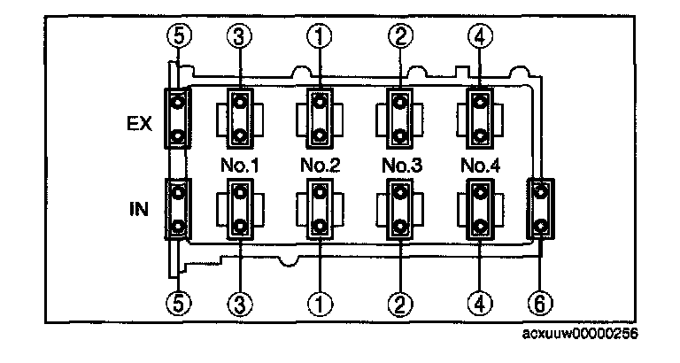
Exhaust Manifold





Tighten the exhaust manifold installation nuts in the order shown.
Tightening torque 43 - 64 Nm (4.4 - 6.5 kgf-m, 32 - 47 ft-lbf)


Water Pump