lemon-mirror:
Home >> Mazda >> 2007 >> CX-7 L4-2.3L Turbo >> Repair and Diagnosis >> Transmission and Drivetrain >> Automatic Transmission/Transaxle >> Control Module >> Locations

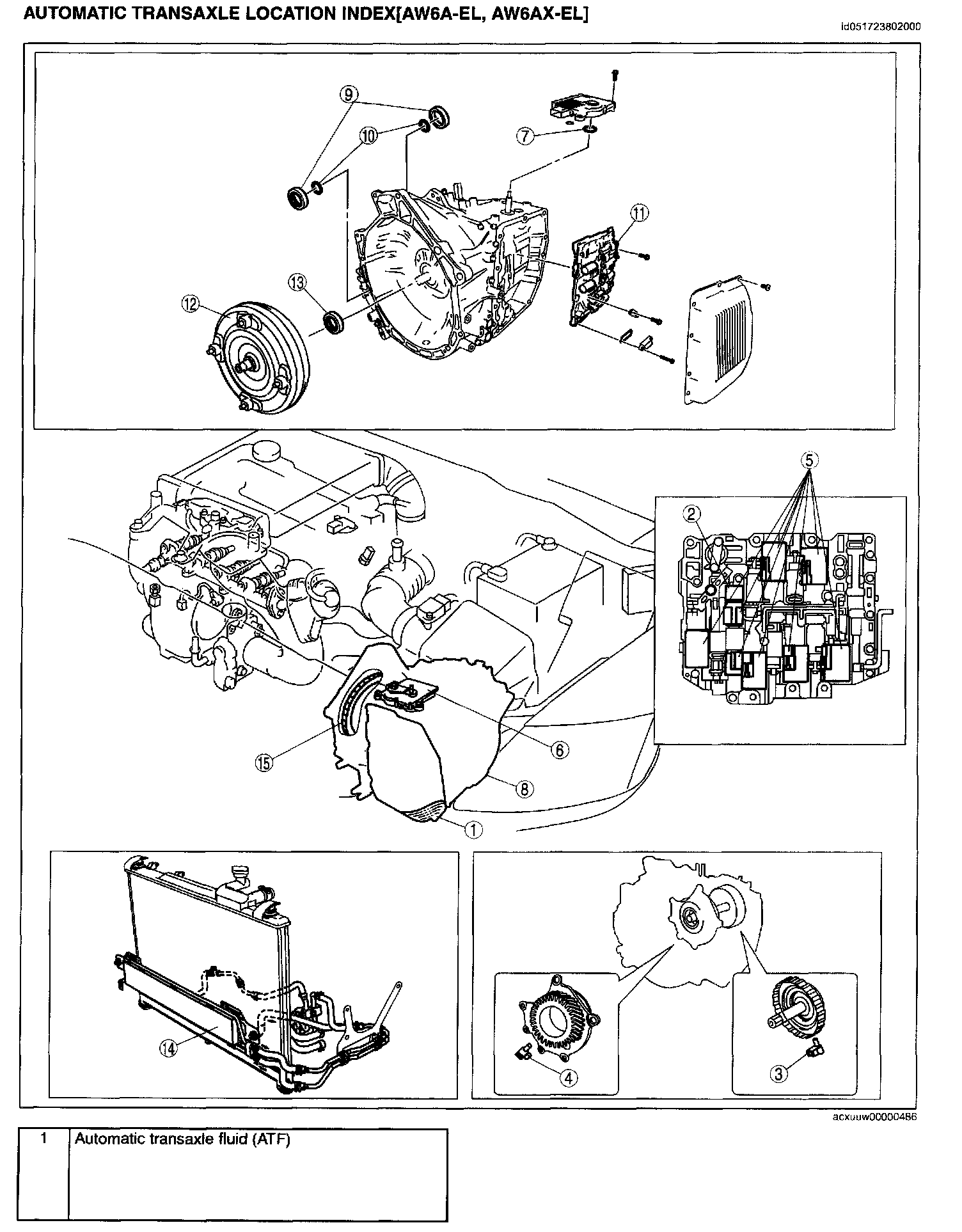
Control Module: Locations

AUTOMATIC TRANSAXLE LOCATION INDEX [AW6A-EL, AW6AX-EL]

Automatic Transaxle Location Index [AW6A-EL, AW6AX-EL] (Part 1):




Automatic Transaxle Location Index [AW6A-EL, AW6AX-EL] (Part 2):