lemon-mirror:
Home >> Mazda >> 2007 >> B2300 L4-2.3L >> Repair and Diagnosis >> Powertrain Management >> Computers and Control Systems >> Manifold Pressure/Vacuum Sensor >> Service and Repair

Manifold Pressure/Vacuum Sensor: Service and Repair

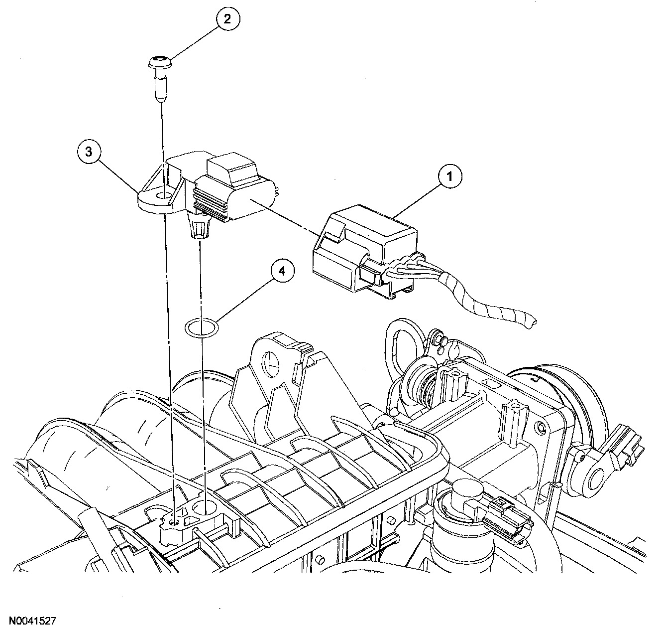
MANIFOLD ABSOLUTE PRESSURE (MAP) SENSOR REMOVAL / INSTALLATION - 2.3L











1. Disconnect the negative battery cable. See BATTERY DISCONNECT.




2. Disconnect the manifold absolute pressure (MAP) sensor electrical connector.
3. Remove the bolt and lift the MAP sensor out of the intake manifold.
4. To install, reverse the removal procedure.