lemon-mirror:
Home >> Mazda >> 2007 >> 5 L4-2.3L >> Repair and Diagnosis >> Windows and Glass >> Windows >> Power Window Switch >> Testing and Inspection >> Power Window Main Switch Inspection

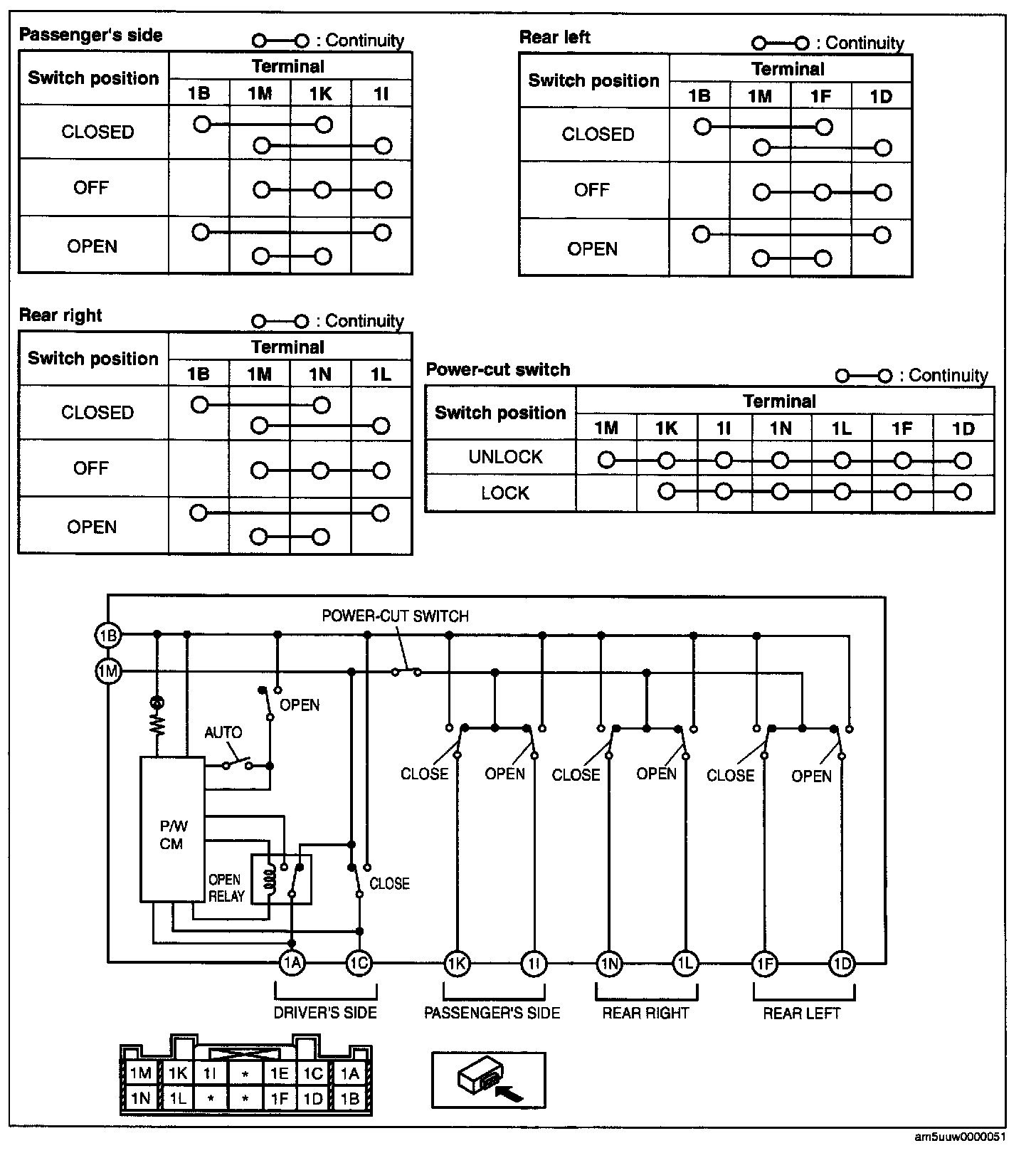
Power Window Main Switch Inspection

POWER WINDOW MAIN SWITCH INSPECTION

Driver's Side
1. Measure the voltage at each terminal (other than terminal 1M).
- If the voltage is not as specified in the Terminal Voltage Table, inspect the parts under "Inspection item (s)" and related wiring harnesses.

2. Remove the battery cover.
3. Disconnect the negative battery cable.
4. Inspect the power window main switch connector for continuity at terminal 1M.
5. If the system does not work properly even though the inspection items or related wiring harnesses do not have any malfunction, replace the power window main switch.






Except Driver's Side

1. When inspecting the passenger-side and rear power windows, turn the power-cut switch to UNLOCK.
2. Inspect for continuity between the power window main switch terminals.
- If not as specified, replace the power window main switch.

3. Connect battery positive voltage to terminal 1 B and ground to terminal 1 M. Verify that there is continuity. If not as specified, replace the power window main switch.