lemon-mirror:
Home >> Mazda >> 2007 >> 3 L4-2.3L >> Repair and Diagnosis >> Starting and Charging >> Charging System >> Alternator >> Testing and Inspection

Alternator: Testing and Inspection

GENERATOR INSPECTION[LF, L3]

CAUTION: Do not apply direct battery positive voltage to generator terminal 0, otherwise it could cause damage to the internal parts (power transistor) of the generator.

Generator warning light
1. Verify that the battery is fully charged.
2. Verify that the drive belt deflection/tension is correct.
3. With the ignition switch turned to the ON position, verify that the generator warning light illuminates.
- If it does not illuminate, inspect the generator warning light and the wiring harness.
- If the generator warning light and the wiring harness are normal, inspect the PCM.

4. Verify that the generator warning light goes out after the engine is started.
- If it does not go out, inspect if any one of the following DTCs in the on-board diagnostic system are displayed: P0112, P0113, P2502, P2503, P2504. (See DTC TABLE [LF,L3].)

Generator

Voltage
1. Verify that the battery is fully charged.
2. Verify that the drive belt deflection/tension is correct. (See DRIVE BELT INSPECTION[LF, L3].)
3. Turn off all electrical loads.
4. Start the engine.
5. Verify that the generator rotates smoothly without any noise while the engine is running.
- If there is any noise, find the cause and repair or replace the generator.







6. Measure the voltage at each terminal using a tester.
- Headlights
- Blowermotor
- Rear window defroster

Current

NOTE: Since the charging current decreases rapidly after starting the engine, carry out the following procedure quickly, and read the maximum current value.

1. Verify that the battery is fully charged.
2. Verify that the drive belt deflection/tension is correct. (See DRIVE BELT INSPECTION[LF, L3].)
3. Disconnect the negative battery cable.
4. Connect a tester, which can read 120 A or more, between generator terminal B and the wiring harness.
5. Connect the negative battery cable.
6. Turn off all electrical loads.
7. Start the engine.
8. Increase engine speed to 2,500 rpm.

NOTE:
- When the electrical load on the vehicle is low, the specified current cannot be verified although the generator is normal. In this case, increase the electrical load (Leave the headlights turned on for a while, then discharge the battery, or use a similar method.) and recheck.
- When the generator itself or the ambient temperature are too high, the specified current also cannot be verified. In this case, cool down the generator and recheck.

9. Turn the following electrical loads on and verify that the current reading increases more than the minimum value indicated below.
- If it is not as specified, go to the PCM and generator shearing inspection. (See PCM and generator shearing inspection.)
- Headlights (high-beam)
- Blowermotor(HI)
- Rear window defroster
- Brake lights

Minimum current value :
70 % of the nominal output current (nominal output current: 90 A)
[Ambient temp. 20 °C (68 °F), voltage 13.0 - 15.0 V, both engine and generator are hot]


PCM and generator shearing inspection




1. Connect the M-MDS to the DLC-2.




2. Inspect as shown.

Generator Inner Parts

Rotor




1. Measure the resistance between the slip rings using a tester.
- If not within the specification, replace the rotor.

Resistance : [20 °C (68 °F)] : 1.8 - 2.2 ohms




2. Verify that there is no continuity between the slip ring and core using a tester.
- If there is continuity, replace the rotor.

3. Inspect the slip ring surface condition.
- If the slip ring surface is rough, use a lathe or fine sandpaper to smooth it.

Stator coil




1. Inspect for continuity between the stator coil leads using a tester.
- If there is no continuity, replace the stator.




2. Verify that there is no continuity between the stator coil leads and the core using a tester.
- If there is continuity, replace the stator coil.

Brush




1. Inspect brushes for wear.
- If any brush is worn almost to or beyond the limit, replace all of the brushes.

Standard brush length : 18.5 mm (0.73 in)

Minimum brush length : 5.0 mm (0.2 in)

Brush spring
1. Measure the force of the brush spring using a spring pressure gauge.




2. Read the spring pressure gauge at the brush tip projection of 2 mm (0.079 in).
- Replace the brush spring if necessary.

Standard spring force : 4.8 - 6.0 N (0.49 - 0.61 kgf, 1.08 - 1.34 lbf)

Minimum spring force : 2.16 N (0.22 kgf, 0.49 lbf)

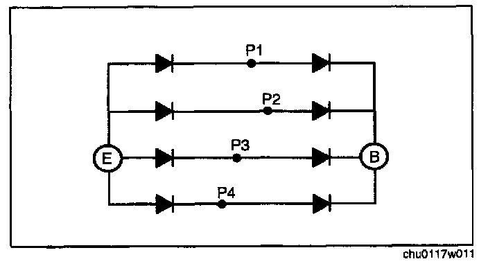
Rectifier










1. Inspect for continuity of the diodes using a tester.
- If not as specified, replace the rectifier.

Bearing




1. Inspect for abnormal noise, looseness, and sticking.
- Replace the bearing if necessary.