lemon-mirror:
Home >> Mazda >> 2006 >> MPV V6-3.0L DOHC >> Repair and Diagnosis >> Powertrain Management >> Computers and Control Systems >> Relays and Modules - Computers and Control Systems >> Engine Control Module >> Service and Repair

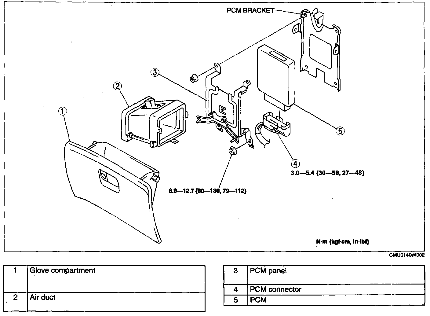
Engine Control Module: Service and Repair

PCM REMOVAL/INSTALLATION [AJ]

1. Disconnect the negative battery cable.
2. Remove the TCM.




3. Remove in the order indicated in the table.
4. Install in the reverse order of removal.

Air Duct Removal Note




1. Disconnect the front blower resistor connector.
2. Remove the air duct stay fastener.
3. Slide the air duct to the right.
4. Tilt the left side down to remove the air duct from the installation place.

PCM Panel Removal Note

1. Before removing the PCM panel, pull the PCM connector harness stay fastener out from the PCM panel.




2. Remove the upper right side of the PCM panel installation nut located at the back of the blower unit as shown.
3. Remove the lower side of the PCM panel installation nuts located at the bottom of the cabin carpet.




4. Remove four installation nuts, then pull the PCM panel down to remove from installation place.