lemon-mirror:
Home >> Mazda >> 2006 >> 6 L4-2.3L >> Repair and Diagnosis >> Specifications >> Mechanical Specifications >> Engine >> Cylinder Head Assembly >> System Specifications >> Manifolds

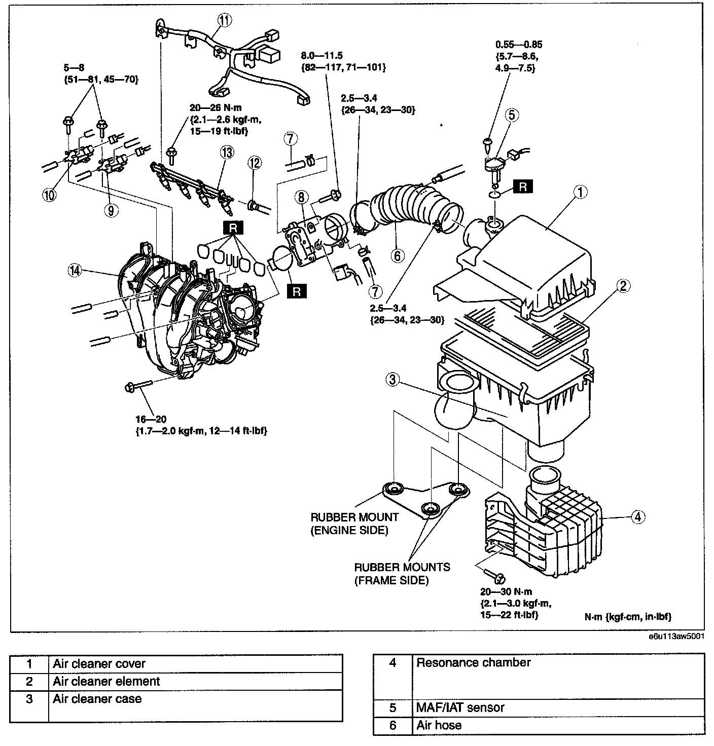
Manifolds

Manifolds

Exhaust Manifold

Tighten the exhaust manifold installation nuts in the order shown.





California emission regulation applicable ATX model





Except for California emission regulation applicable ATX model

Tightening torque 43-64 N-m (4.4-6.5 kgf-m, 32-47 ft-lbf)

Intake Manifold

Remove in the order indicated in the table.
Install in the reverse order of removal.

Part 1:




Part 2: