lemon-mirror:
Home >> Mazda >> 2006 >> 6 L4-2.3L >> Repair and Diagnosis >> Diagrams >> Electrical Diagrams >> Navigation System

Navigation System

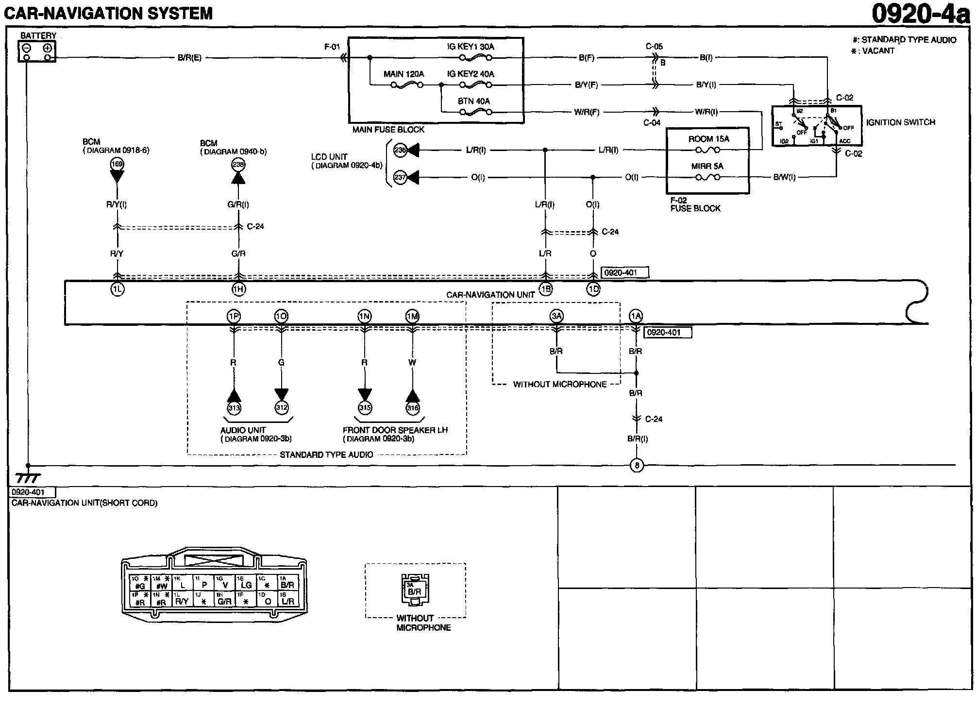
Diagram 0920-4a:




Routing View 0920-4a:






Disgram 0920-4b:




Routing View 0920-4b:






Diagram 0920-4c:




Routing View 0920-4c:






Diagram 0920-4d:




Routing View 0920-4d:






Diagrams: Other diagrams referred to by name within these diagrams can be found at Diagrams by Diagram Name. Diagrams By Diagram Name

Connector Views: Additional connector pinout views for the common connectors that may be referred to on these diagrams can be found via the connector number at the vehicle level connector views. Connector Views