lemon-mirror:
Home >> Mazda >> 2006 >> 5 L4-2.3L >> Repair and Diagnosis >> Powertrain Management >> Computers and Control Systems >> Oxygen Sensor >> Service and Repair >> Procedures

Procedures

HEATED OXYGEN SENSOR (HO2S) REMOVAL/INSTALLATION [L3]

WARNING: A hot engine and exhaust system can cause severe burns. Turn off the engine and wait until they are cool before removing the exhaust system.

1. Remove the battery cover.
2. Disconnect the negative battery cable.
3. Remove the plug hole cover.
4. Disconnect the HO2S connector.




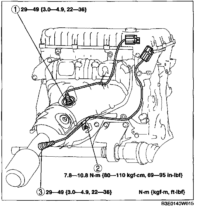
5. Remove in the order indicated in the table.

HO2S Removal Note




1. Remove the HO2S using the SST.




Wiring Harness Bracket Installation Note

NOTE: There might be no pin. If there is no pin, lock the wiring harness bracket against rotation and tighten the out.