lemon-mirror:
Home >> Mazda >> 2006 >> 3 L4-2.3L >> Repair and Diagnosis >> Power and Ground Distribution >> Testing and Inspection

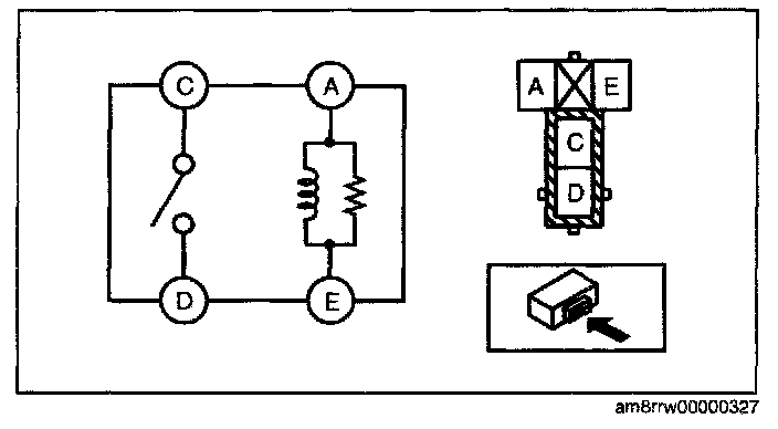
Power and Ground Distribution: Testing and Inspection




RELAY INSPECTION

Type A







1. Verity the continuity between the relay terminals.
- If not as indicated in the table, replace the relay.