lemon-mirror:
Home >> Mazda >> 2006 >> 3 L4-2.3L >> Repair and Diagnosis >> Diagrams >> Connector Views >> Fuse Block

Fuse Block

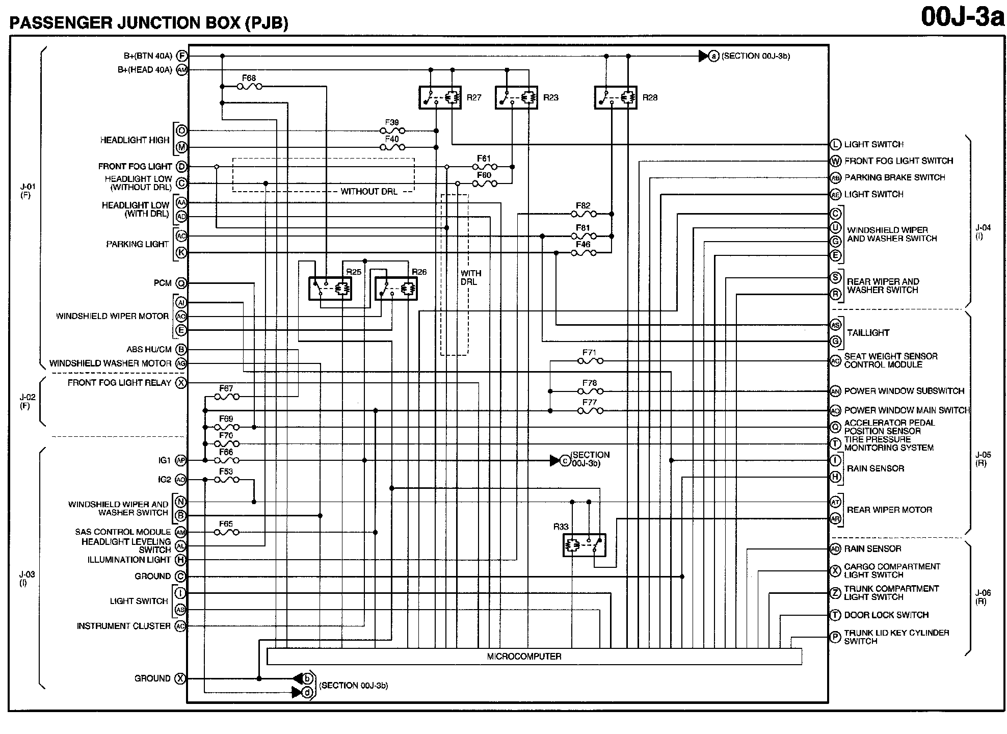
Passenger Junction Box (PJB):



Passenger Junction Box (PJB):



Passenger Junction Box (PJB):



Passenger Junction Box (PJB):