lemon-mirror:
Home >> Mazda >> 2005 >> Tribute 2WD L4-2.3L >> Repair and Diagnosis >> Powertrain Management >> Computers and Control Systems >> Transmission Position Sensor/Switch >> Service and Repair

Transmission Position Sensor/Switch: Service and Repair

TRANSAXLE RANGE (TR) SENSOR

Removal
1. With the vehicle in NEUTRAL, position it on a hoist.
2. Remove the battery and tray.





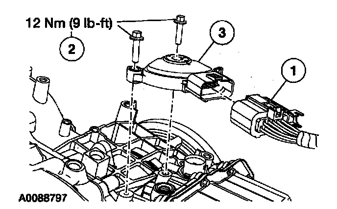
3. Remove the transaxle range (TR) sensor.
1. Disconnect the TR sensor electrical connector.
2. Remove the bolts.
3. Remove the TR sensor.

Installation

Note: Make sure the transaxle is in the NEUTRAL position.





1. Install the transaxle range (TR) sensor and loosely install the bolts.





2. Using the special tool, align the TR sensor and tighten the bolts. Connect the electrical connector.

Note: Before installing the battery tray check the vent tube hose for any obstructions, kinks, or incorrect routing position.

3. Install the battery and tray.
4. Check the correct operation with parking brake control engaged. The engine should start only in PARK or NEUTRAL. Backup lamps should be active only in the REVERSE position.