lemon-mirror:
Home >> Mazda >> 2005 >> RX8 2RTR-1.3L >> Repair and Diagnosis >> Diagrams >> Electrical Diagrams >> Keyless Entry Module

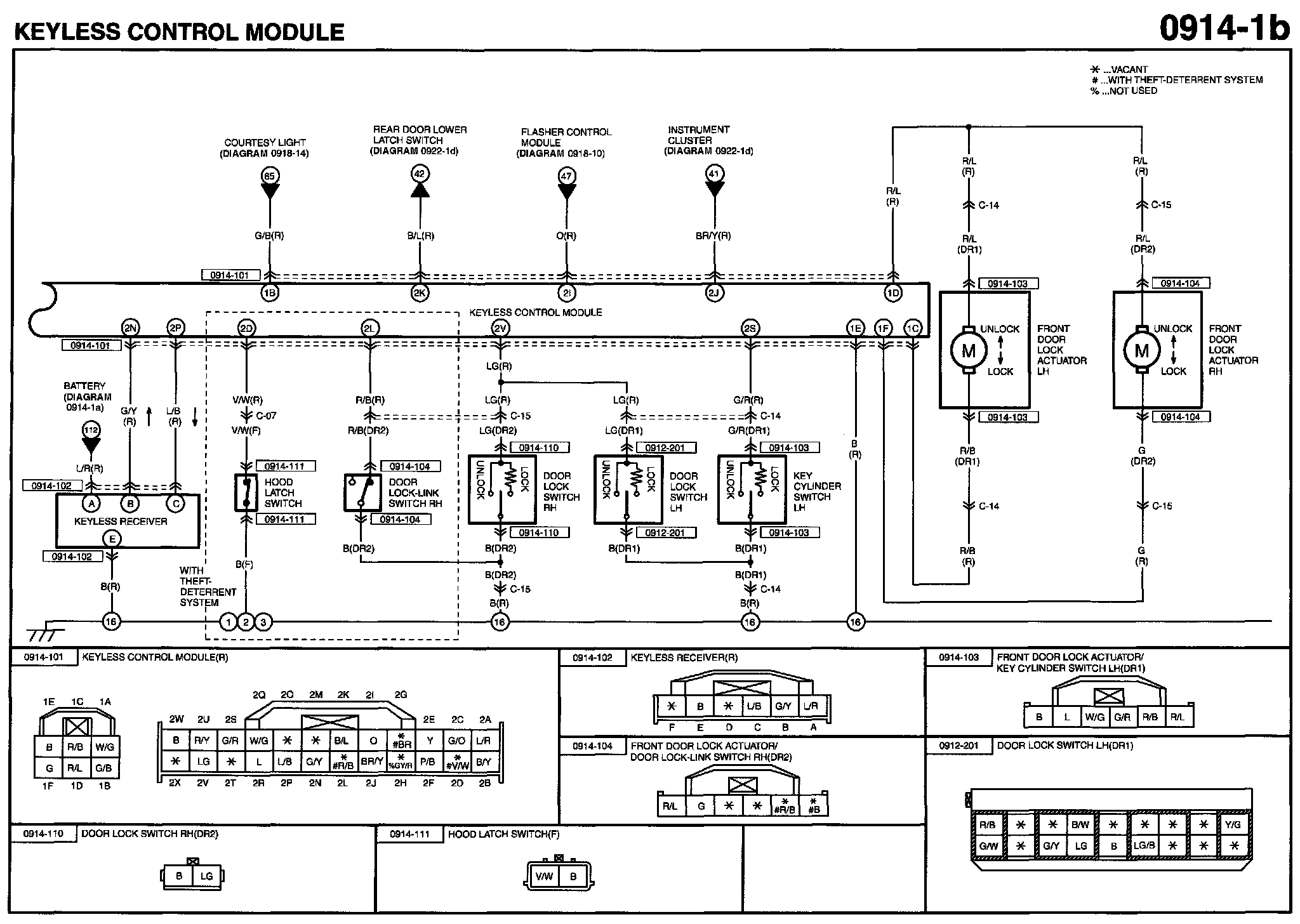
Keyless Entry Module

Diagram 0914-1a:









Diagram 0914-1b:




Routing View 0914-1b:






Diagrams: Other diagrams referred to by name within these diagrams can be found at Diagrams By Diagram Name. Diagrams By Diagram Name

Connector Views: Additional connector pinout views for the common connectors that may be referred to on these diagrams can be found via the connector number at the vehicle level connector views. Connector Views