lemon-mirror:
Home >> Mazda >> 2005 >> MPV V6-3.0L DOHC >> Repair and Diagnosis >> Maintenance >> Timing Component Alignment Marks >> Locations

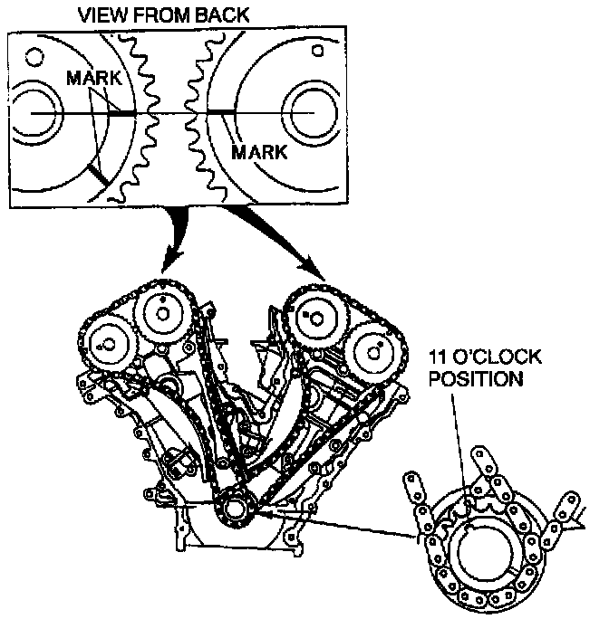
Timing Component Alignment Marks: Locations