lemon-mirror:
Home >> Mazda >> 2005 >> 6 L4-2.3L >> Repair and Diagnosis >> Power and Ground Distribution >> Mini ISO Relay >> Testing and Inspection

Mini ISO Relay: Testing and Inspection

RELAY INSPECTION




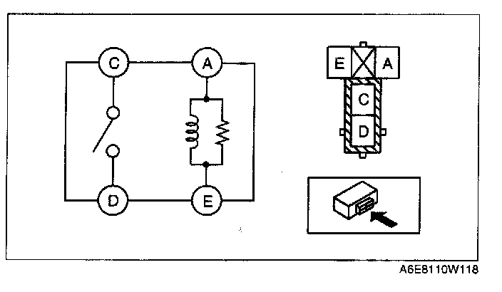
Relay Type

Four-terminal

Type A

1. Remove the relay.







2. Inspect for continuity between the relay terminals using an ohmmeter.
- If not as specified, replace the relay.

Type B
1. Remove the relay.







2. Inspect for continuity between the relay terminals using an ohmmeter.
- If not as specified, replace the relay.