lemon-mirror:
Home >> Mazda >> 2004 >> RX8 2RTR-1.3L >> Repair and Diagnosis >> Windows and Glass >> Windows >> Power Window Switch >> Testing and Inspection >> Power Window Main Switch

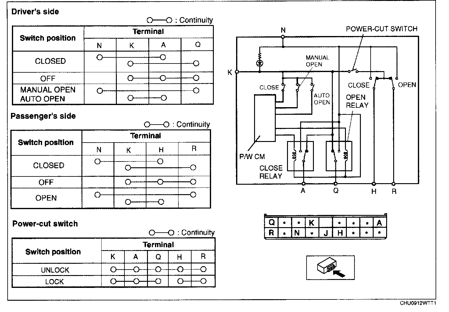
Power Window Main Switch

POWER WINDOW MAIN SWITCH INSPECTION




1. When inspecting the passenger's side and the rear, turn the power-cut switch to UNLOCK.
2. Inspect for continuity between the power window main switch terminals.
- If not as specified, replace the power window main switch.

3. Connect battery positive voltage to terminal N and ground to the terminal K. Verify that continuity exists.
- If not as specified, replace the power window main switch.