lemon-mirror:
Home >> Mazda >> 2004 >> RX8 2RTR-1.3L >> Repair and Diagnosis >> Specifications >> Mechanical Specifications >> Engine >> Oil Pan, Engine

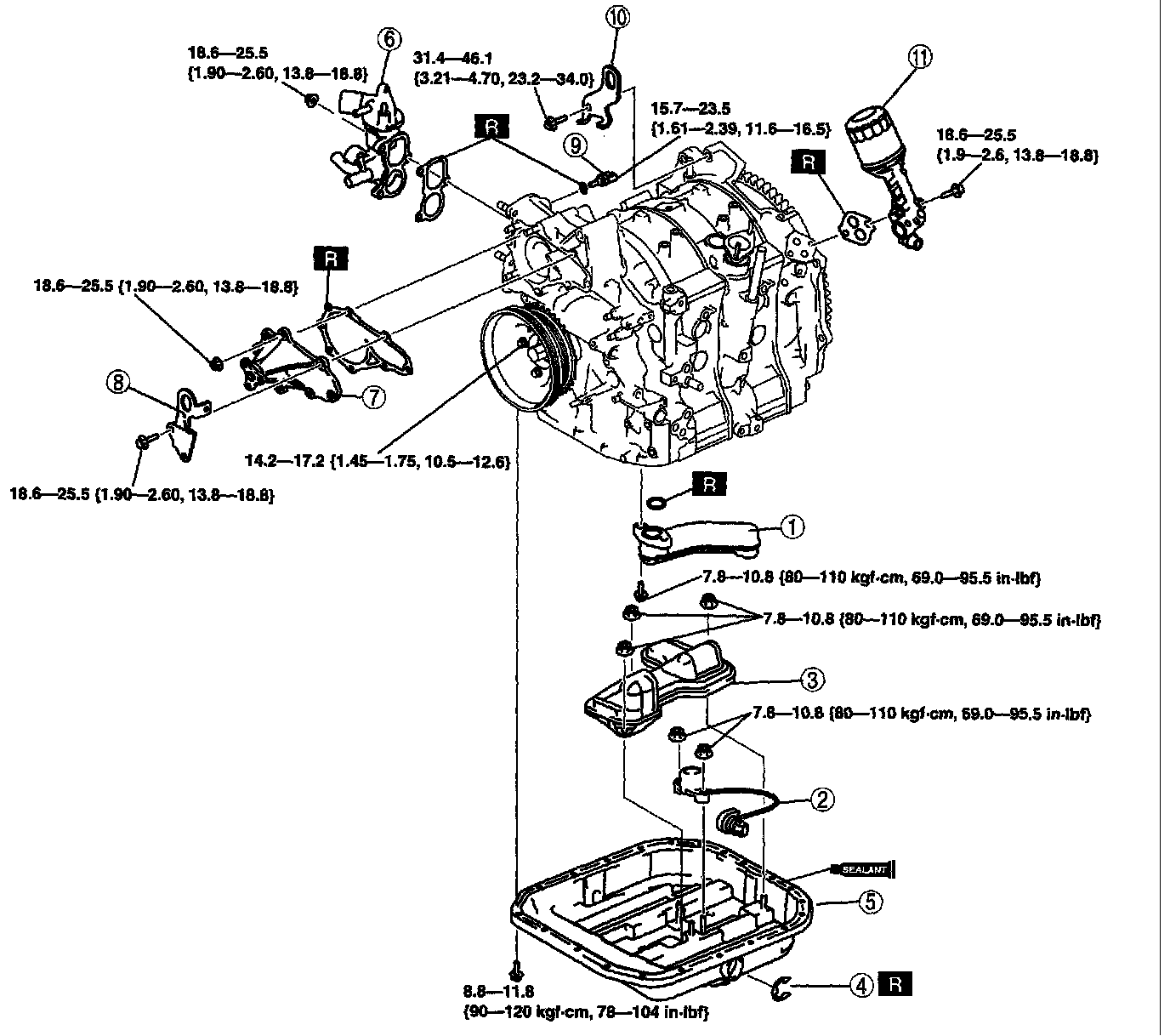
Oil Pan, Engine






Torque 8.8-11.8 Nm (77.9-104.4 in lbs)