lemon-mirror:
Home >> Mazda >> 2004 >> RX8 2RTR-1.3L >> Repair and Diagnosis >> Powertrain Management >> Diagrams >> Electrical Diagrams >> Control System

Control System

Control System Wiring Diagram Part 1:



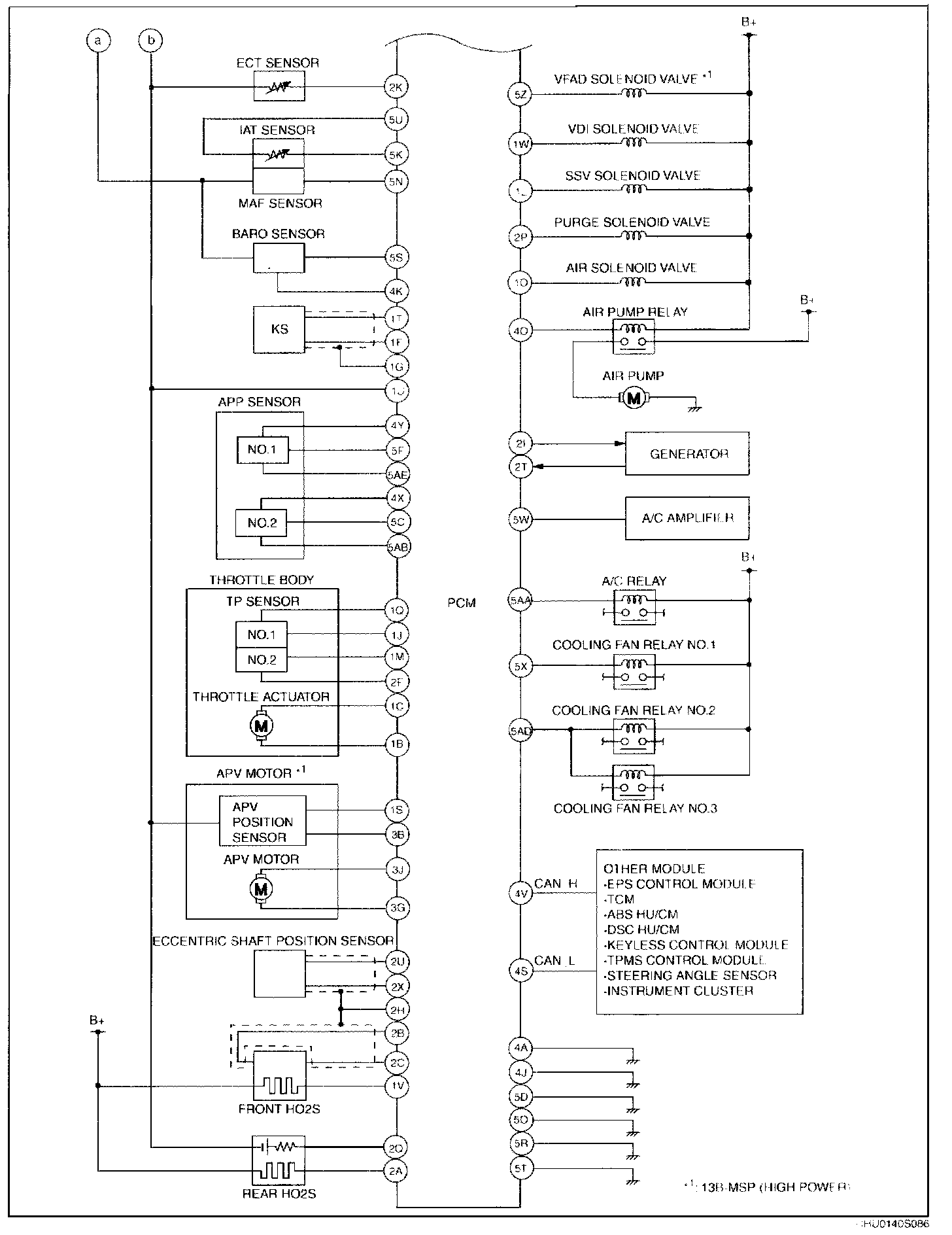
Control System Wiring Diagram Part 2: