lemon-mirror:
Home >> Mazda >> 2004 >> RX8 2RTR-1.3L >> Parts and Labor >> Starting and Charging >> Starting System >> Images

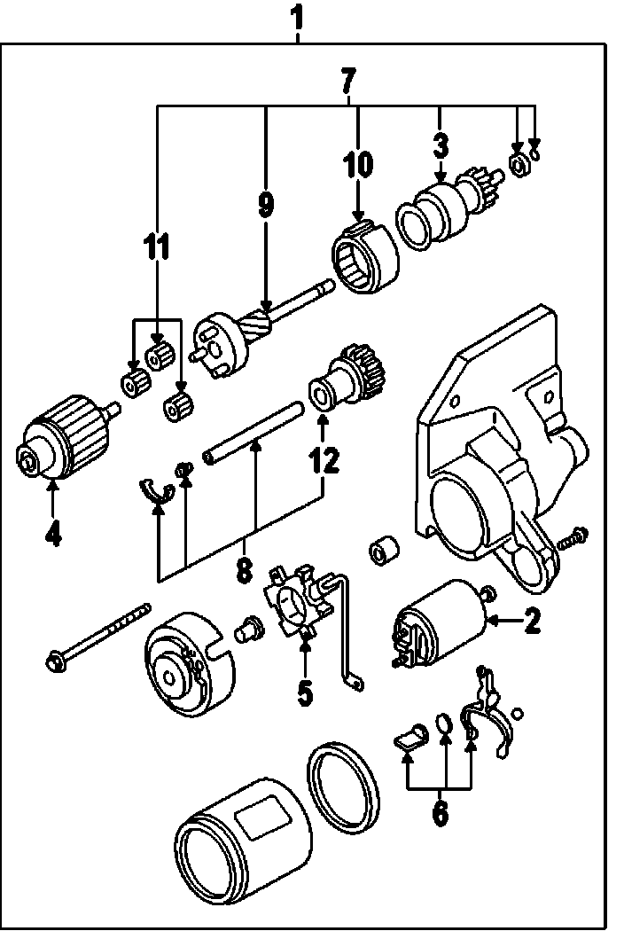
Images

Auto Trans:



Manual Trans: