lemon-mirror:
Home >> Mazda >> 2004 >> 6 L4-2.3L >> Repair and Diagnosis >> Relays and Modules >> Relays and Modules - Instrument Panel >> Instrument Panel Control Module >> Service and Repair >> Center Panel Module Removal/Installation

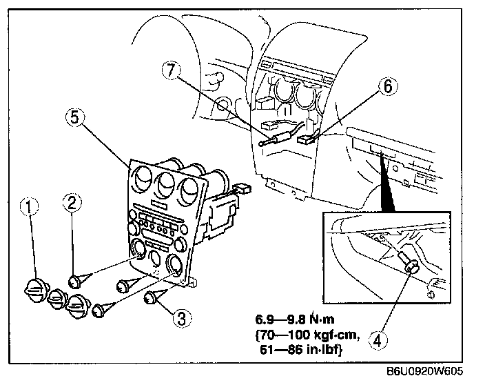
Center Panel Module Removal/Installation

CENTER PANEL MODULE REMOVAL/INSTALLATION

1. Disconnect the negative battery cable.
2. Remove the glove compartment.
3. Remove the rear console.







4. Remove in the order indicated in the table.
5. Install in the reverse order of removal.

CAUTION: Make certain that the wiring harness and antenna feeder are not caught between the unit and dashboard. If the harness or the antenna feeder is caught between the unit and dashboard, it may cause trouble or malfunctions.

Bolt Removal Note




1. Attach protective tape to the bracket installed to the dashboard.

CAUTION: Removing the bolt without attaching protective tape to the bracket may cause injury to your hand. Always attach protective tape to the bracket when removing the bolt.

2. Remove the Bolt.

Center Panel Module Removal Note




1. Pull the center panel module toward you, then disengage clips A from the dashboard, and remove the center panel module.