lemon-mirror:
Home >> Mazda >> 2004 >> 6 L4-2.3L >> Repair and Diagnosis >> Lighting and Horns >> Headlamp >> Headlamp Control Module >> Service and Repair

Headlamp Control Module: Service and Repair

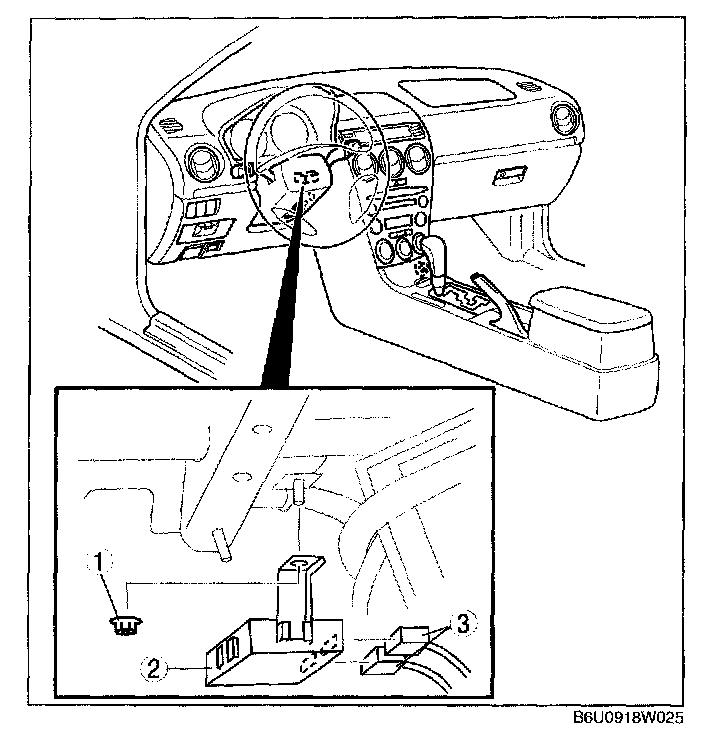
AUTO LIGHT-OFF CONTROL MODULE REMOVAL/INSTALLATION

1. Disconnect the negative battery cable.







2. Remove in the order indicated in the table.
3. Install in the reverse order of removal.