lemon-mirror:
Home >> Mazda >> 2003 >> Tribute 2WD L4-2.0L >> Repair and Diagnosis >> Diagrams >> Exploded Views >> Engine

Engine








Upper Engine Components








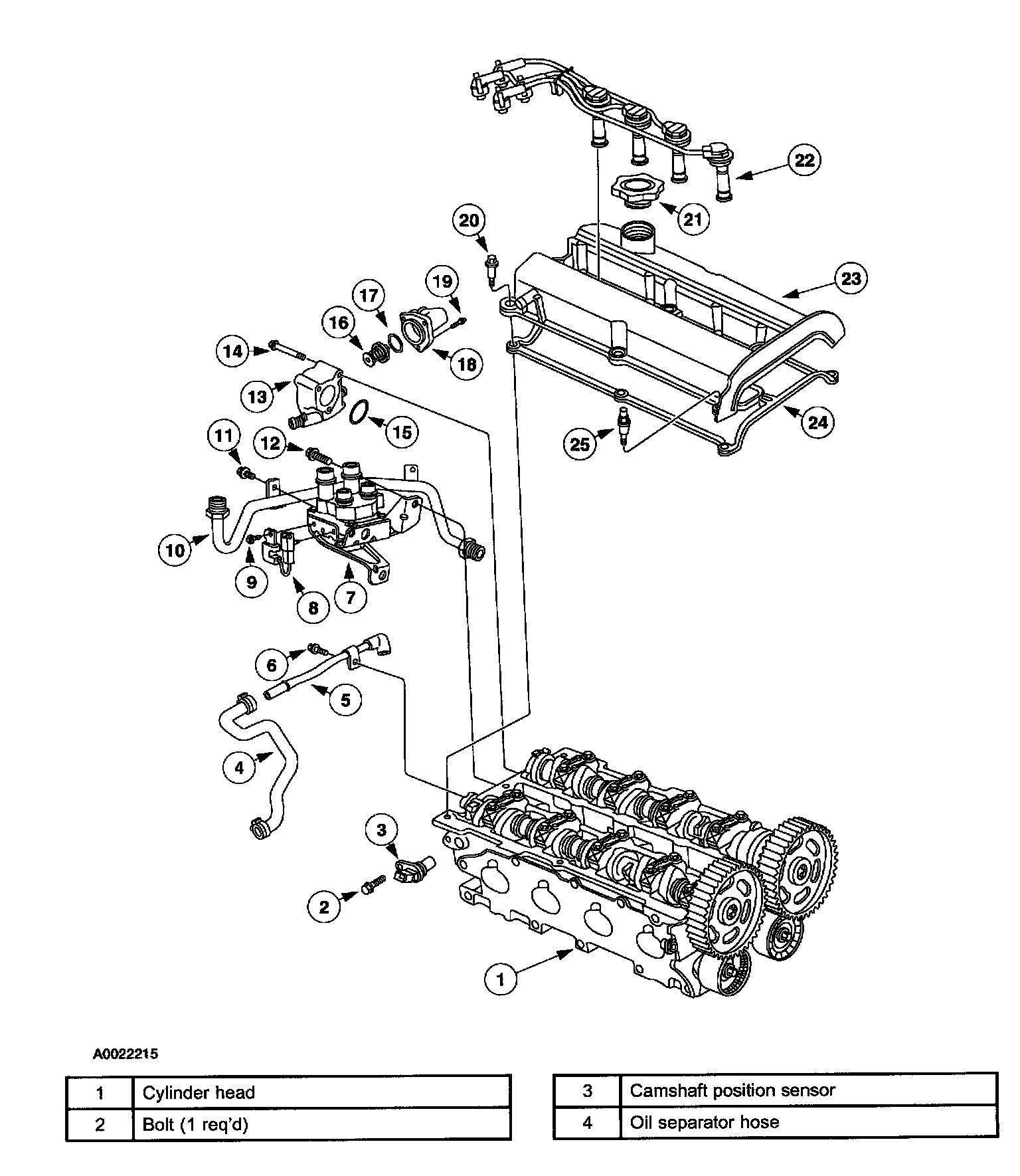
Cylinder Head Components








Lower Engine Components








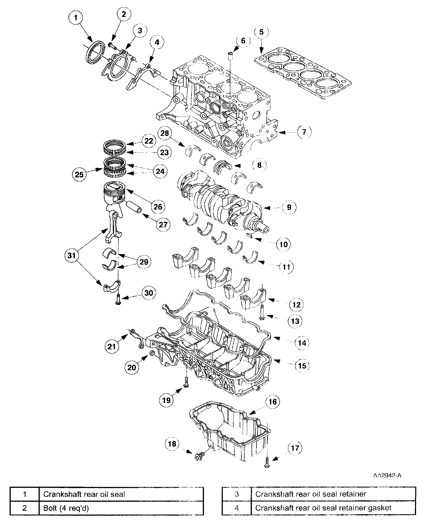
Cylinder Block Components