lemon-mirror:
Home >> Mazda >> 2003 >> Tribute 2WD L4-2.0L >> Repair and Diagnosis >> Diagrams >> Electrical Diagrams >> General Module

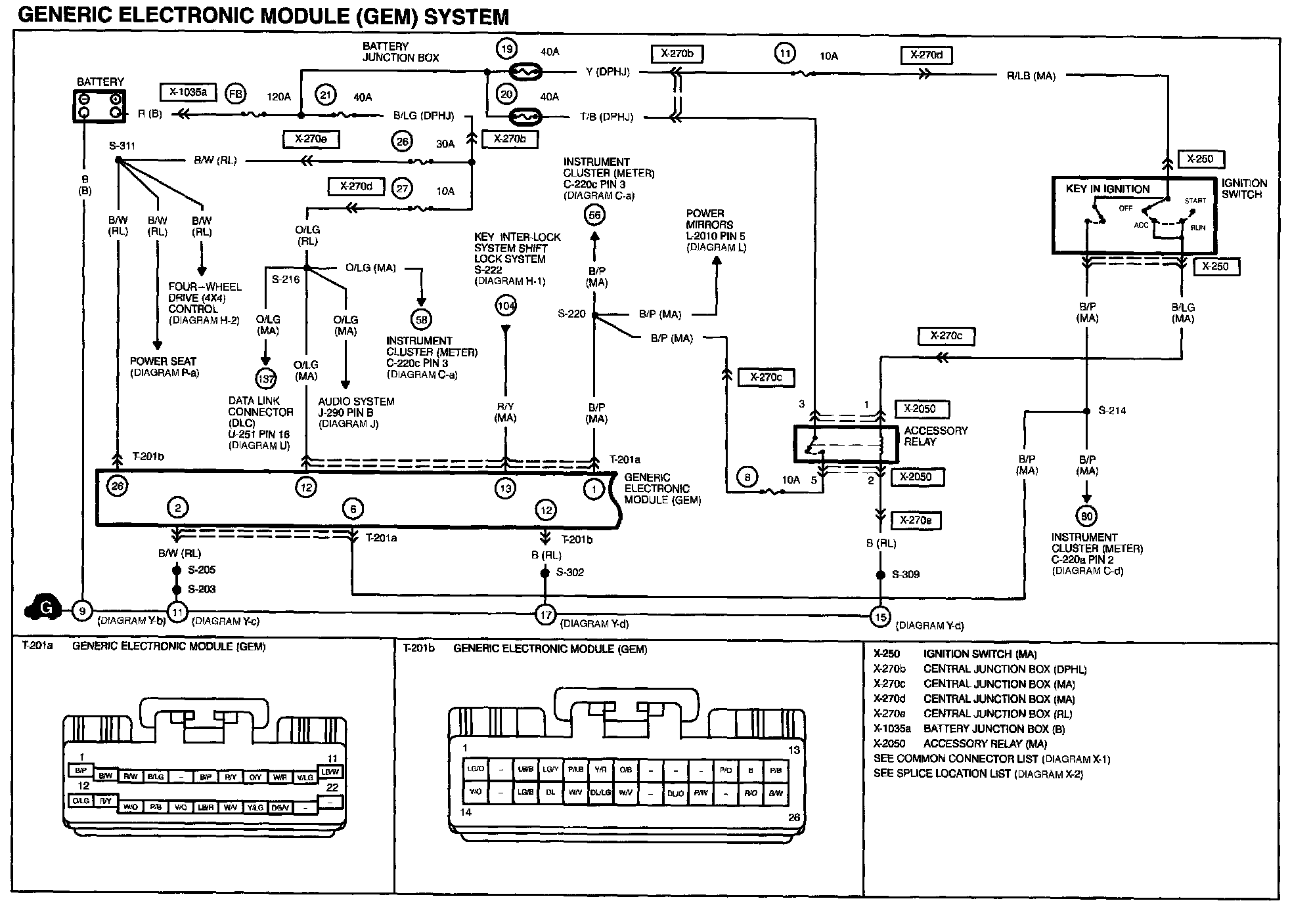
General Module

Diagram T-1a:





Routing View T-1a:






Diagram T-1b:





Routing View T-1b:






Diagram T-1c:





Routing View T-1c:






Diagrams: Other diagrams referred to by name within these diagrams can be found at Diagrams by Diagram Name. Diagrams By Diagram Name