lemon-mirror:
Home >> Mazda >> 2003 >> 6 L4-2.3L >> Repair and Diagnosis >> Starting and Charging >> Charging System >> Alternator >> Service and Repair >> Generator Removal/Installation

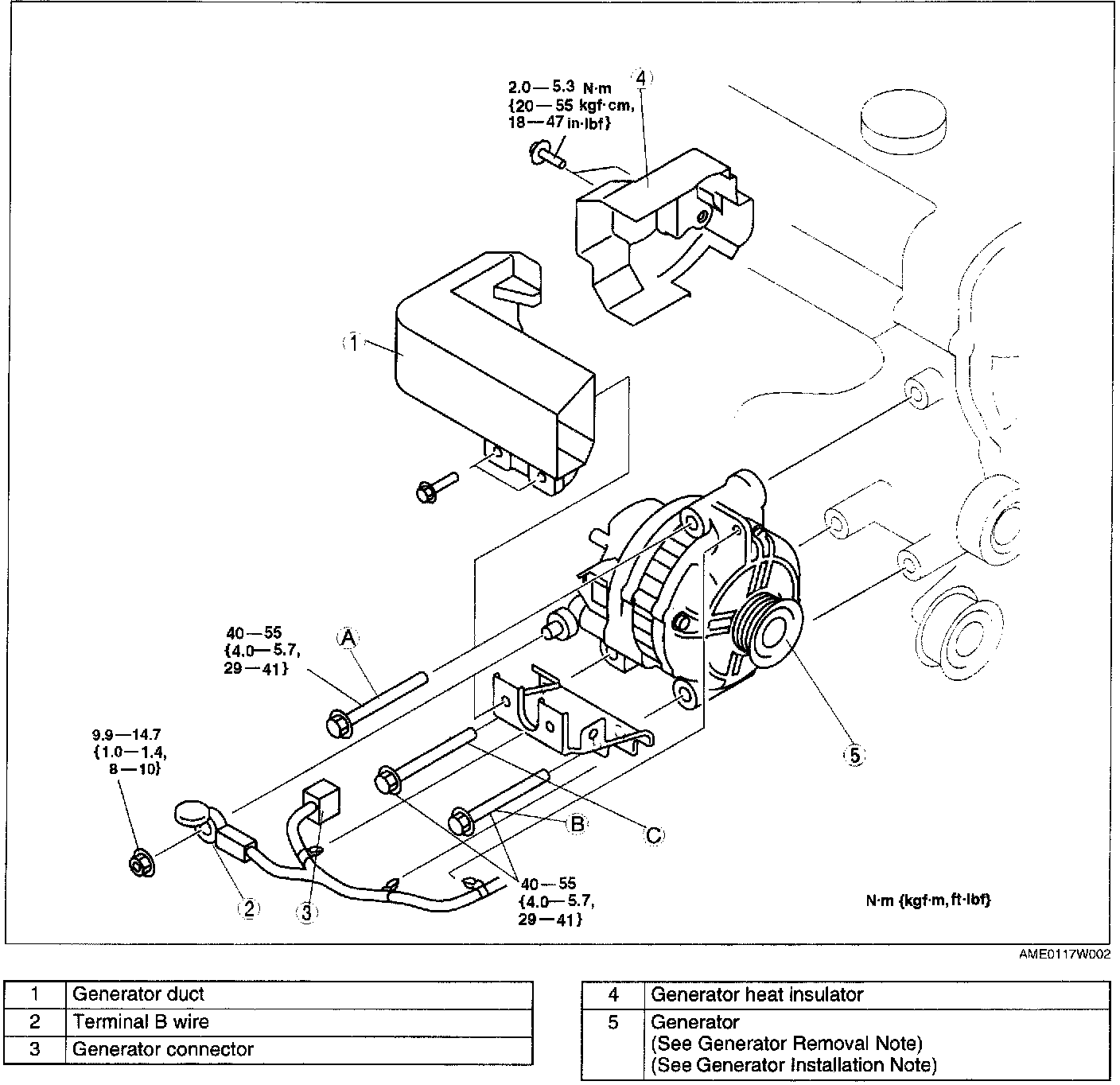
Generator Removal/Installation

GENERATOR REMOVAL/INSTALLATION

WARNING: When the battery cables are connected, touching the vehicle body with generator terminal B generates sparks. This can cause personal injury, fire, and damage to the electrical components. Always disconnect the battery before performing the following operation.

CAUTION: The generator can be damaged by the heat from the exhaust manifold. Make sure the generator duct and the generator heat insulator are installed securely. (L3 engine model)

1. Disconnect the negative battery cable.
2. Remove the under cover.
3. Remove the drive belt.
4. Remove in the order indicated in the table




5. Install in the reverse order of removal

Generator Removal Note
1. Remove the generator from above.

Generator Installation Note
1. Tighten the bolt A temporary.
2. Tighten the bolt in the order B, A, and C.