lemon-mirror:
Home >> Mazda >> 2002 >> Tribute DX 2WD L4-2.0L >> Repair and Diagnosis >> Diagrams >> Exploded Views >> Engine >> System Diagram >> Upper Engine Components

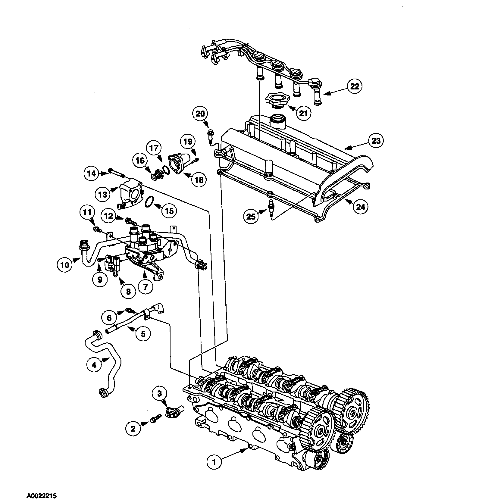
Upper Engine Components

Upper Engine Components





1 of 2





2 of 2