lemon-mirror:
Home >> Mazda >> 2002 >> Tribute DX 2WD L4-2.0L >> Repair and Diagnosis >> Diagrams >> Exploded Views >> Engine >> Cylinder Block Assembly

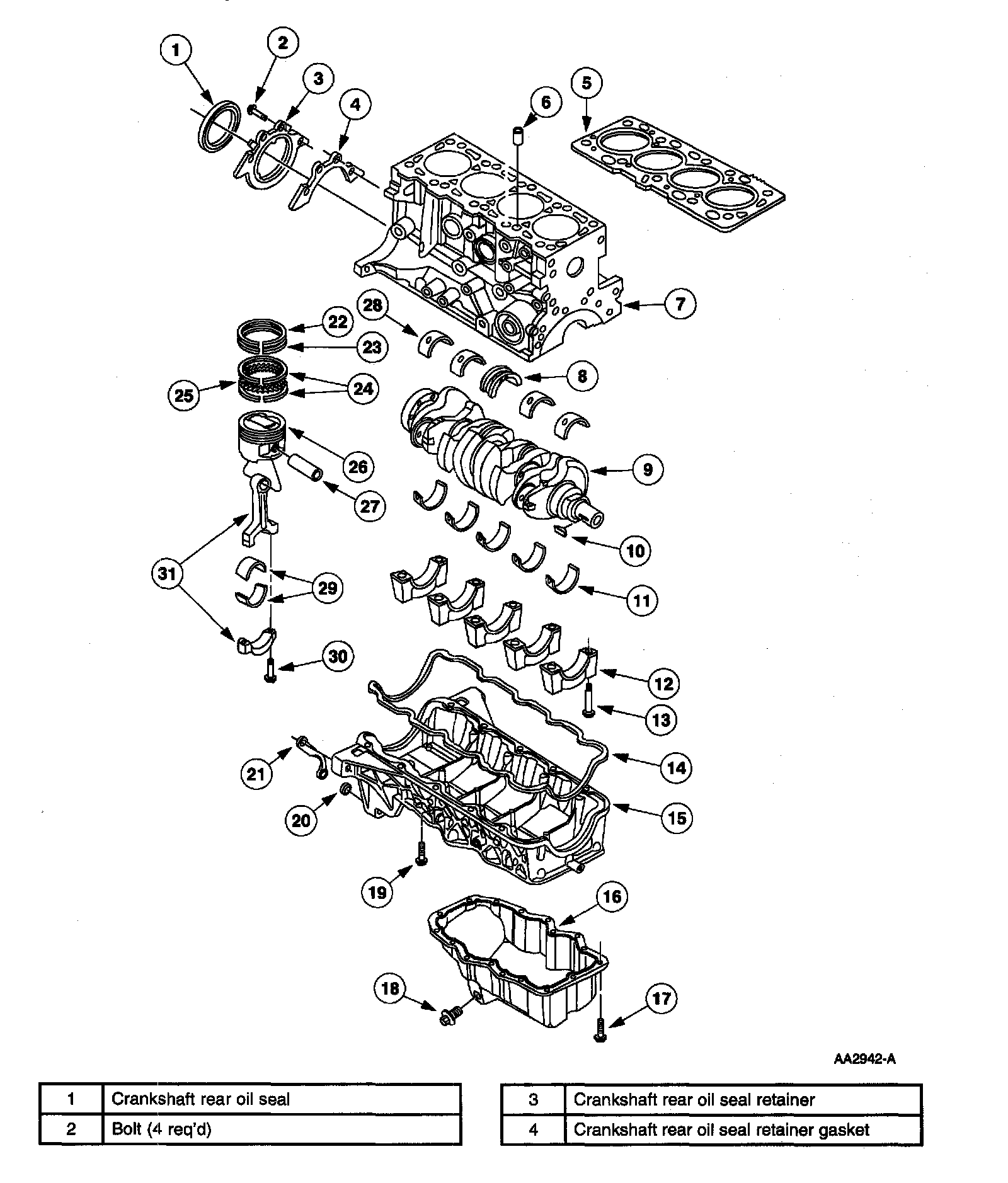
Cylinder Block Assembly

Cylinder Block Components





1 of 2





2 of 2