lemon-mirror:
Home >> Mazda >> 2002 >> 626 ES V6-2.5L DOHC >> Repair and Diagnosis >> Specifications >> Mechanical Specifications >> Engine >> System Specifications

System Specifications

General Specifications
Valve clearance inspection (Standard [Engine cold])
IN: 0.245 - 0.315 mm (0.0097 - 0.0124 inch)
EX: 0.265 - 0.335 mm (0.0105 - 0.0131 inch)





Compression check


Torque Specifications





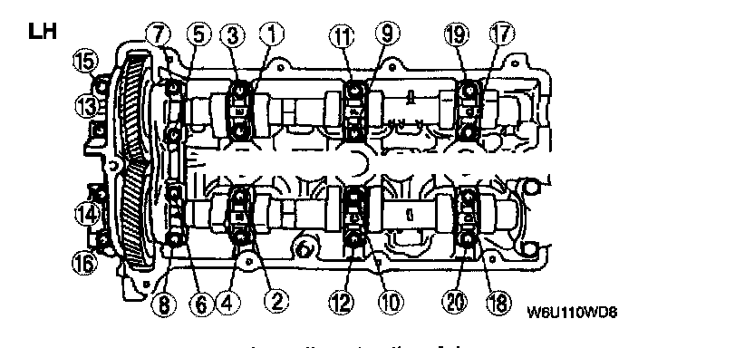
RH





LH

Camshaft Cap bolts 11.3 - 14.2 Nm (100 - 125 inch lbs.)
Cylinder Head bolts





Tighten the bolts in two or three steps in the order shown.
Step 1 23.1 - 25.9 Nm (17.6 - 19.1 ft. lbs.)
Step 2 85-95 degrees in the sequence shown.





Step 3 another 85-95 degrees in the sequence shown.

Torque specifications exploded views





Timing components








Cylinder head gasket components





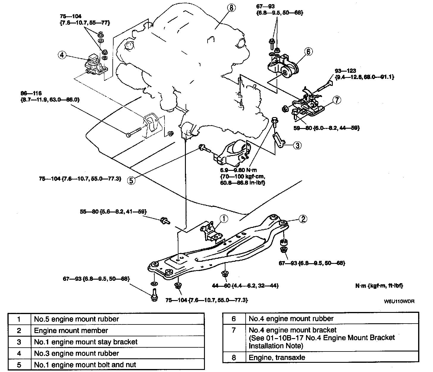
Engine mount









Water pump