lemon-mirror:
Home >> Mazda >> 2002 >> 626 ES V6-2.5L DOHC >> Repair and Diagnosis >> Diagrams >> Electrical Diagrams >> Powertrain Management >> Computers and Control Systems >> Body Control Module

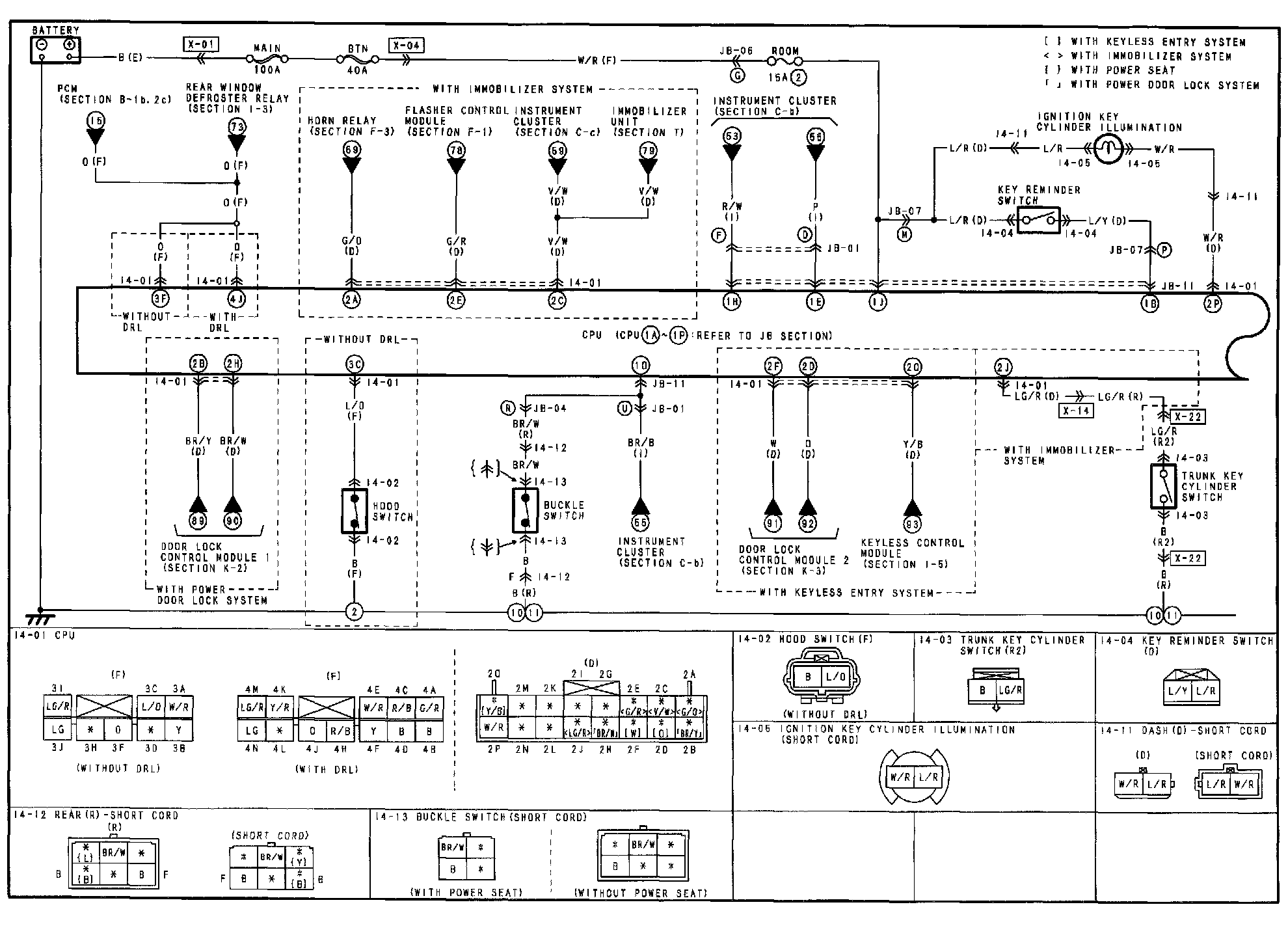
Body Control Module

I-4a - Central Processing Unit (CPU) Circuit:




I-4b - Central Processing Unit (CPU) Circuit:




Wiring Diagram

NOTE: To view other sections referred to in these diagrams, see Complete Body and Chassis Diagrams by Section (A Thru Z) Electrical Diagrams