lemon-mirror:
Home >> Mazda >> 2001 >> MPV DX V6-2.5L DOHC >> Repair and Diagnosis >> Heating and Air Conditioning >> Control Assembly >> Service and Repair >> Front Climate Control Unit >> Disassembly and Assembly

Disassembly and Assembly




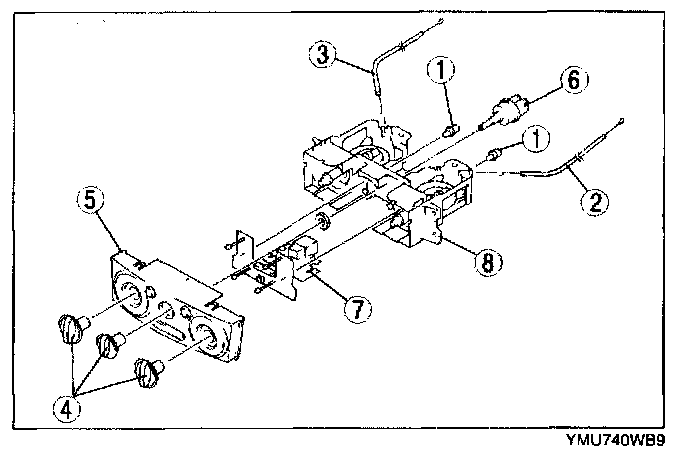
1. Disassemble in the order indicated below.
1. Illumination bulb
2. Airflow mode wire
3. Air mix wire
4. Dial
5. Panel
6. Fan switch
7. A/C amplifier
8. Body

2. Assemble in the reverse order of disassembly.




Wire Disassembly Note
1. Disassemble the wires in the order shown.