lemon-mirror:
Home >> Mazda >> 2000 >> Millenia V6-2.5L DOHC >> Repair and Diagnosis >> Diagrams >> Exploded Views >> Electronic Brake Control Module

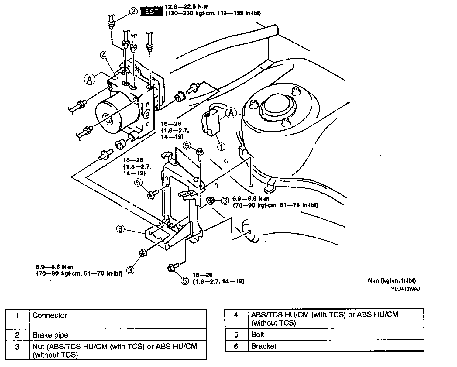
Electronic Brake Control Module