lemon-mirror:
Home >> Mazda >> 2000 >> MPV ES V6-2.5L DOHC >> Repair and Diagnosis >> Maintenance >> Timing Component Alignment Marks >> Locations

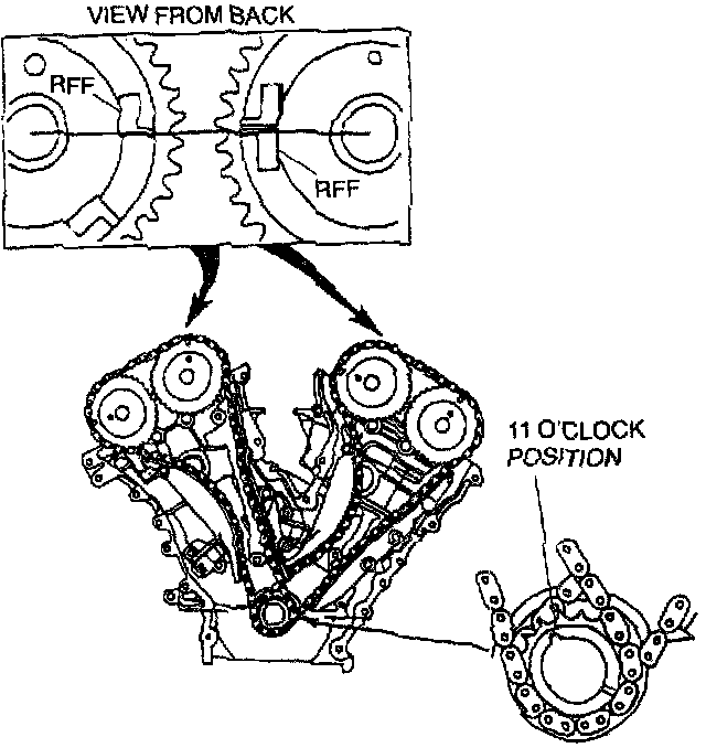
Timing Component Alignment Marks: Locations