lemon-mirror:
Home >> Mazda >> 2000 >> 626 ES L4-2.0L DOHC >> Repair and Diagnosis >> Specifications >> Mechanical Specifications >> Engine >> Timing Components >> System Specifications

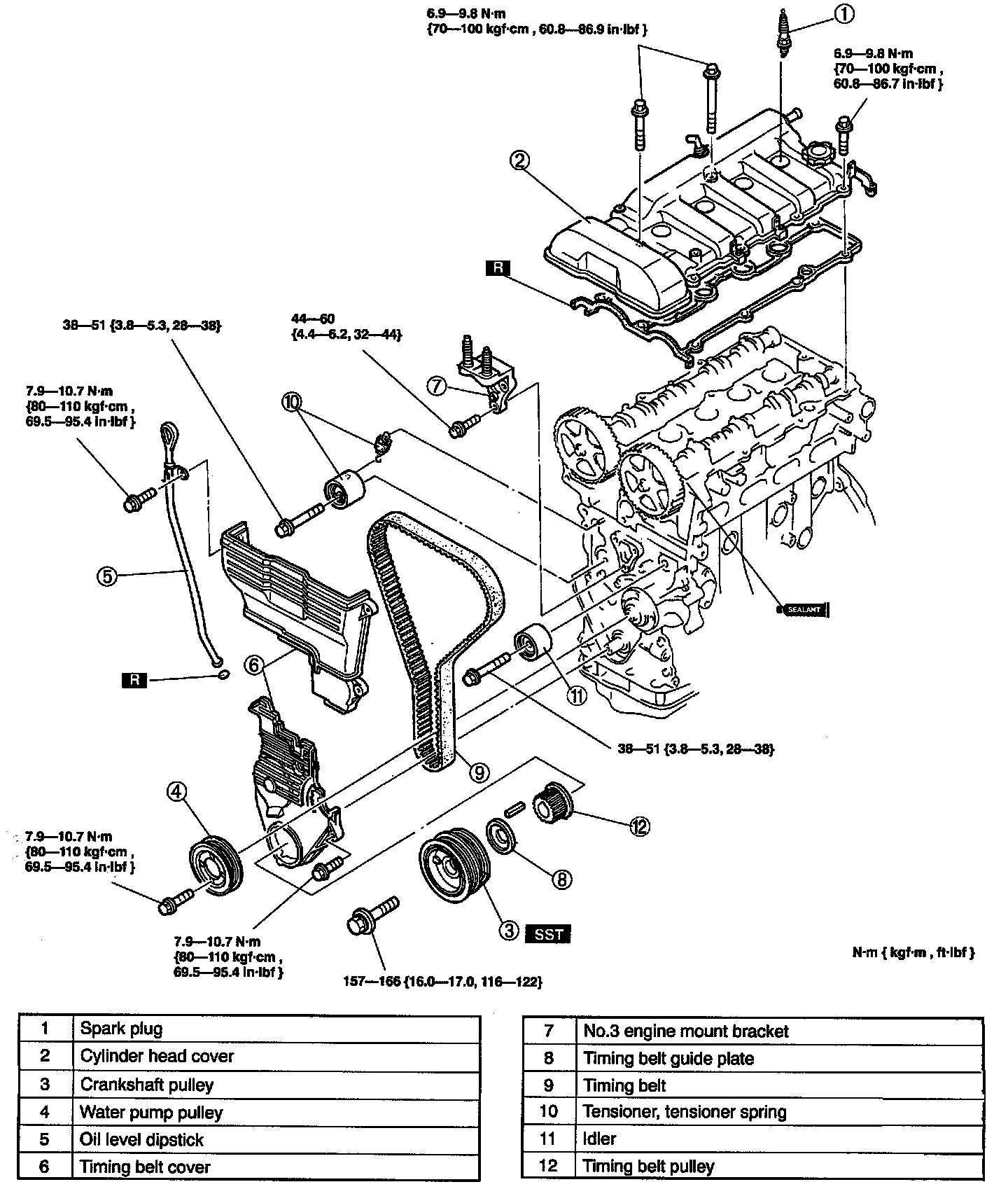
System Specifications

Timing Components: