lemon-mirror:
Home >> Mazda >> 2000 >> 626 ES L4-2.0L DOHC >> Repair and Diagnosis >> Specifications >> Mechanical Specifications >> Engine >> System Specifications >> Intake Manifold

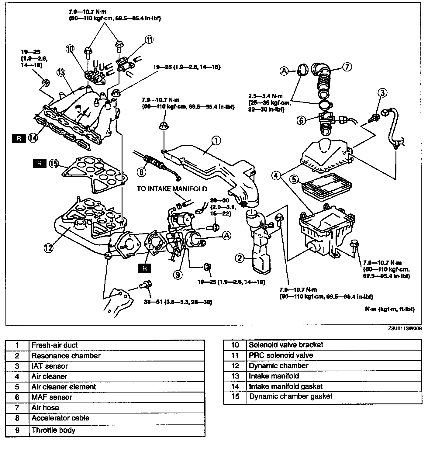
Intake Manifold