lemon-mirror:
Home >> Mazda >> 2000 >> 626 ES L4-2.0L DOHC >> Repair and Diagnosis >> Specifications >> Mechanical Specifications >> Engine >> Cylinder Head Assembly >> System Specifications >> Torque Specifications

Torque Specifications

Intake:






With Auto Transaxle:
1.Fresh-air duct
2.Air cleaner
3.Air cleaner element
4.Mass air flow sensor
5.Air hose


Intake Components:






With Manual Transaxle:
1.Fresh-air duct
2.Air cleaner
3.Air cleaner element
4.Mass air flow sensor
5.Air hose
6.Resonance chamber
7.Accelerator cable
8.Throttle body
9.BAC valve
10.Fuel distributor
11.Intake manifold bracket
12.Intake manifold



Upper Engine:






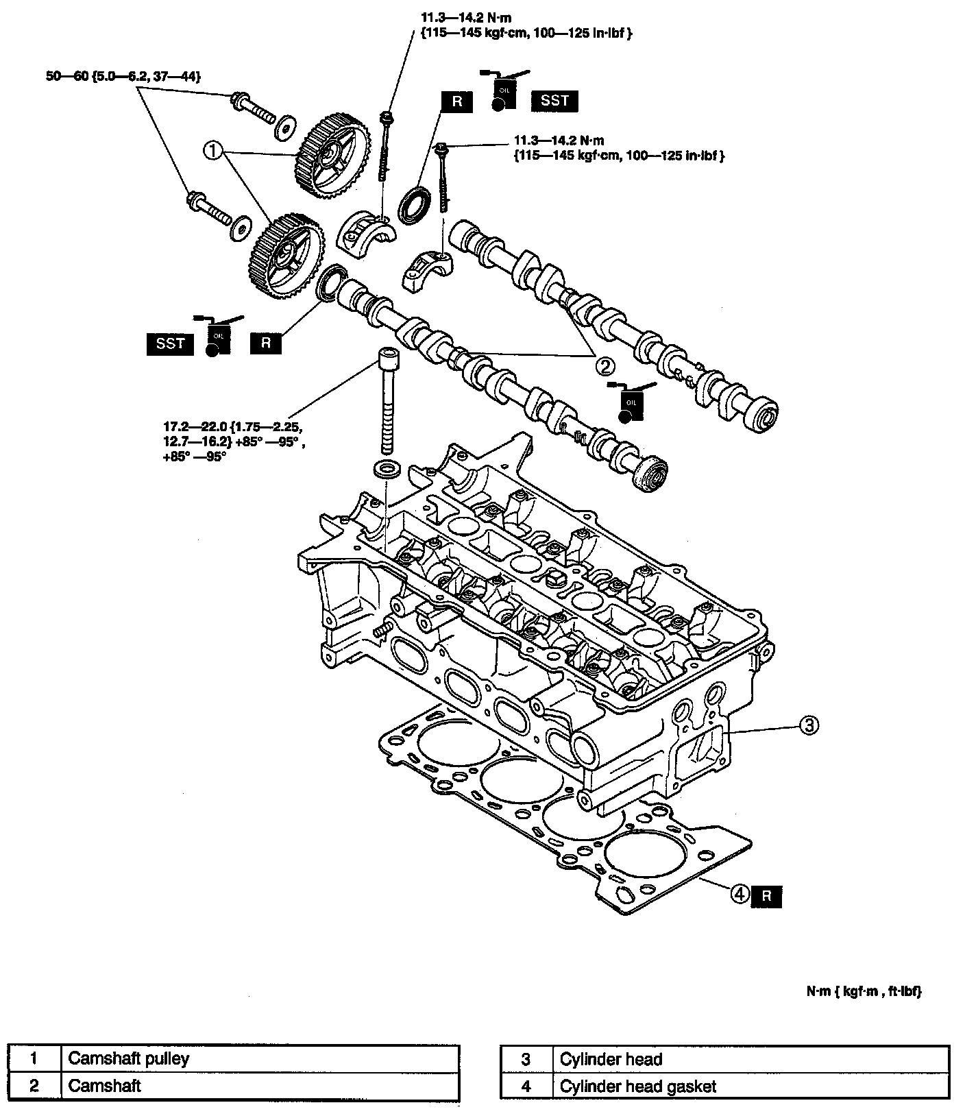
Cam Cap Torque/Sequence:






Head Torque Sequence:






1. Tighten the cylinder head bolts in two or three steps in the order shown.

Tightening torque: 17.2 - 22.0 Nm (1.75 - 2.25 kgs.cm, 12.7 - 16.2 ft. lbs.)





2. Make point marks on the bolt heads, as shown.
3. With the paint marks as a reference point, tighten the cylinder head bolts another 85° - 95° in the tightening order.

4. Then tighten them once again 85° - 95° in the tightening order.