lemon-mirror:
Home >> Mazda >> 1997 >> MX-6 L4-2.0L DOHC >> Repair and Diagnosis >> Specifications >> Mechanical Specifications >> Engine >> System Specifications >> Intake Manifold

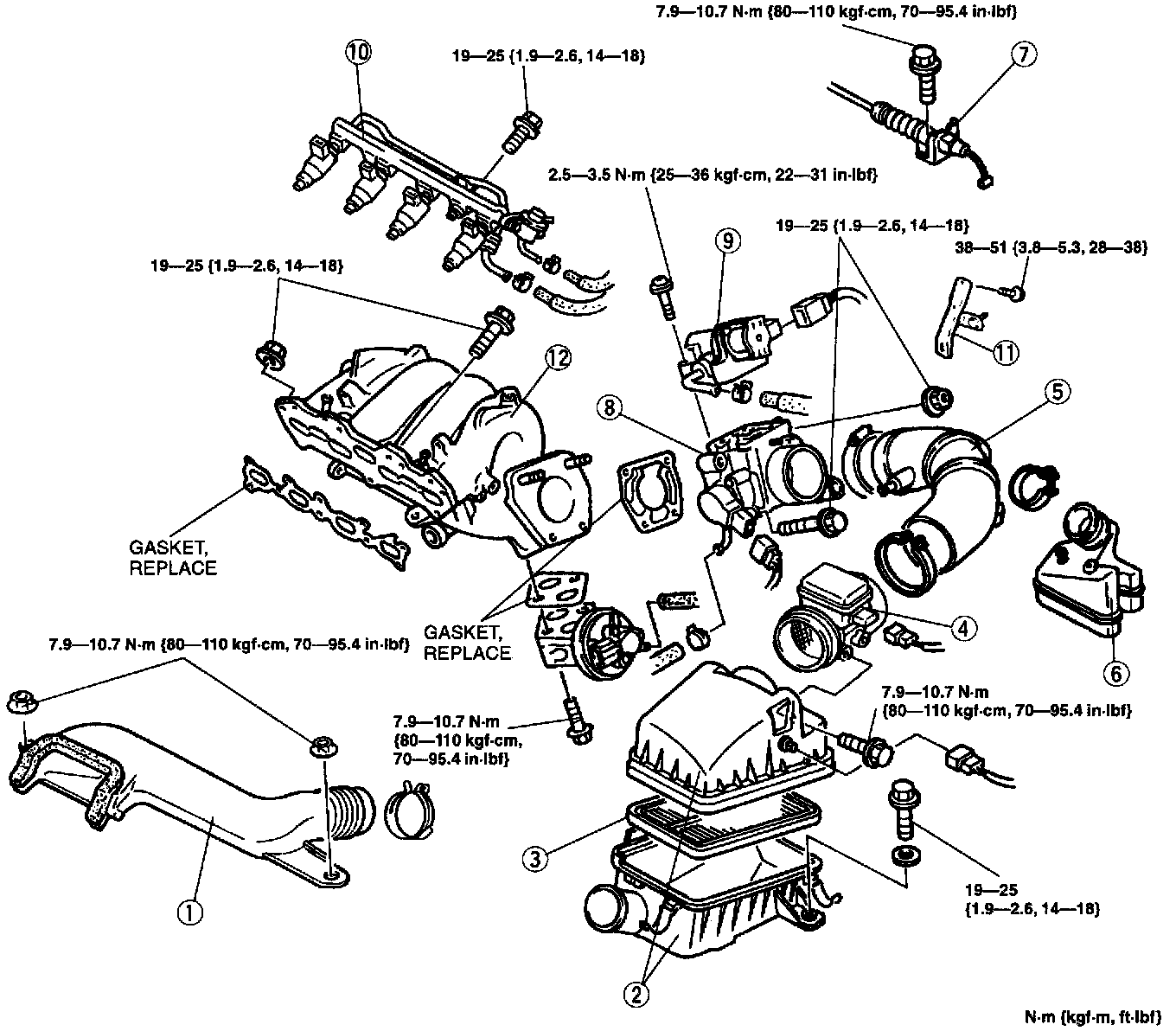
Intake Manifold

Intake:






With Auto Transaxle:
1.Fresh-air duct
2.Air cleaner
3.Air cleaner element
4.Mass air flow sensor
5.Air hose


Intake Components:






With Manual Transaxle:
1.Fresh-air duct
2.Air cleaner
3.Air cleaner element
4.Mass air flow sensor
5.Air hose
6.Resonance chamber
7.Accelerator cable
8.Throttle body
9.BAC valve
10.Fuel distributor
11.Intake manifold bracket
12.Intake manifold