lemon-mirror:
Home >> Mazda >> 1997 >> MX-6 L4-2.0L DOHC >> Repair and Diagnosis >> Specifications >> Mechanical Specifications >> Engine >> Cylinder Block Assembly >> System Specifications >> Torque Specifications

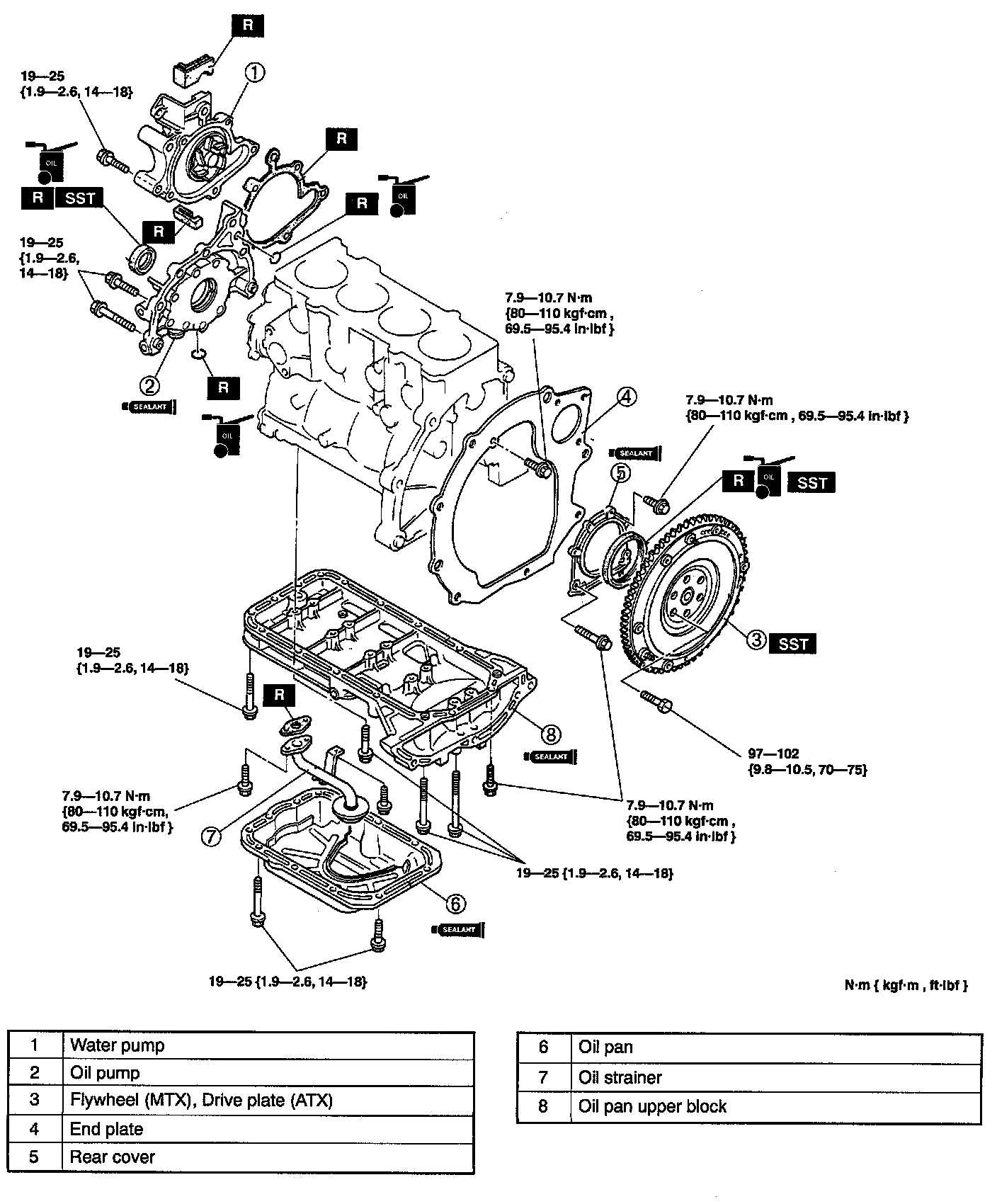
Torque Specifications

Timing Components:











Lower Engine:






Torque Sequence: