lemon-mirror:
Home >> Mazda >> 1995 >> RX7 2RTR-1308cc 80 >> Repair and Diagnosis >> Specifications >> Mechanical Specifications >> Engine >> System Specifications >> Torque Specifications

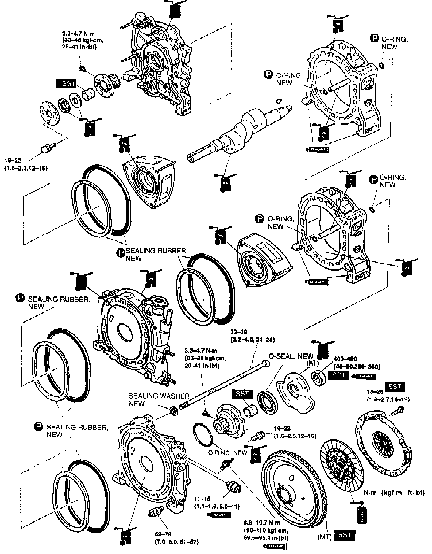
Torque Specifications