lemon-mirror:
Home >> Mazda >> 1995 >> MPV 2WD V6-3.0L SOHC >> Repair and Diagnosis >> Specifications >> Mechanical Specifications >> Engine >> Engine Lubrication >> System Specifications >> Torque Specifications

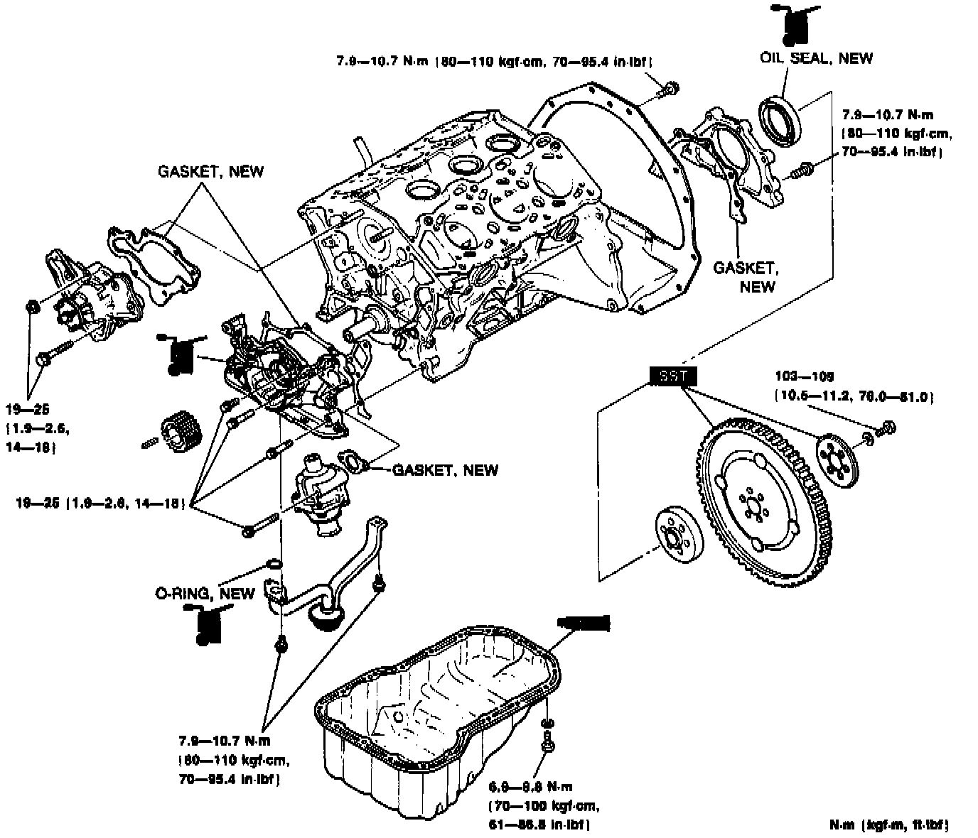
Torque Specifications

External Parts: